T103-16 H CROSSOVER (119963)

Zeichnung Brill Rasentraktor T103-16 H CROSSOVER (119963) :

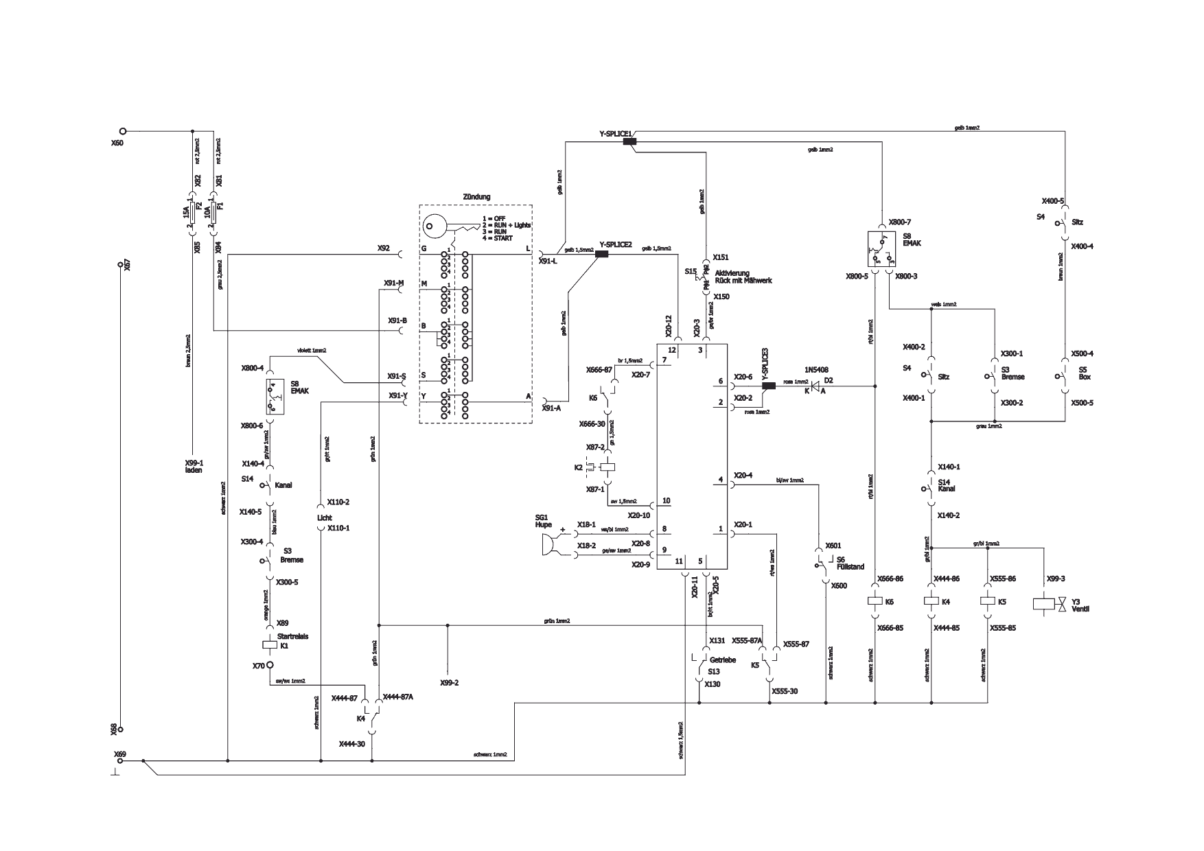
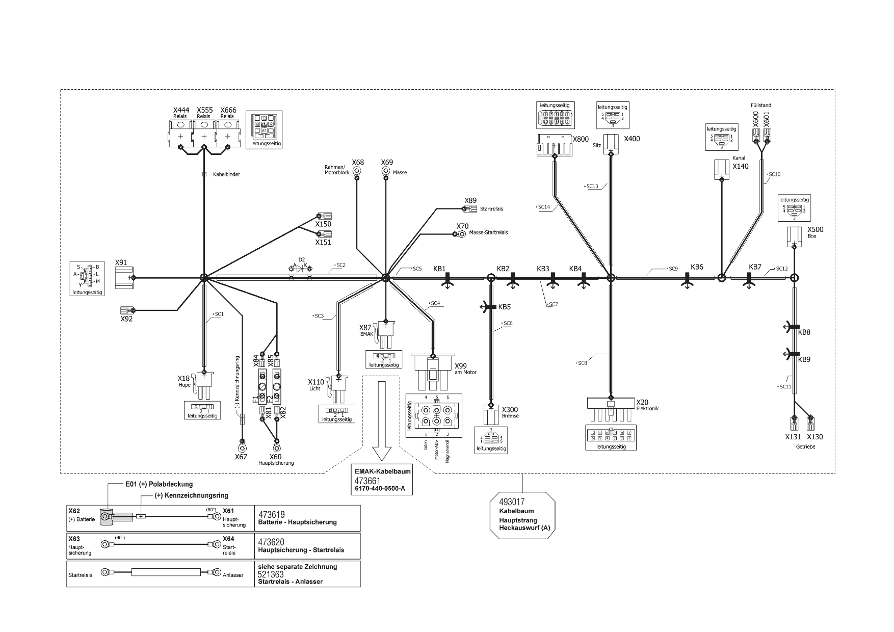
Zeichnung 1
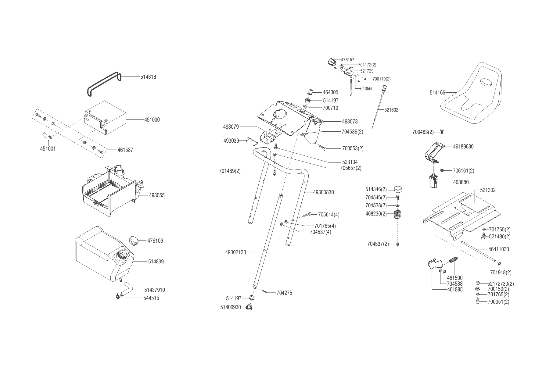
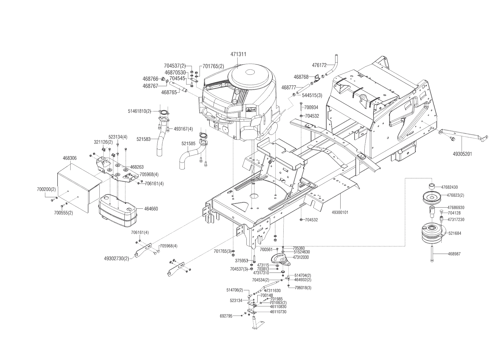
Zeichnung 2
Zeichnung 2
Zeichnung 2
Zeichnung 2
Zeichnung 2
Zeichnung 2
Zeichnung 2
Zeichnung 2
Zeichnung 2
Zeichnung 2

Sollten Sie Fragen zu einem Ersatzteil haben, können Sie uns gerne eine Ersatzteilanfrage stellen.

Hier finden Sie alle Ersatzteile für Brill Rasentraktor T103-16 H CROSSOVER (119963) :

Artikel 1 - 30 von 383