ab 03/2020

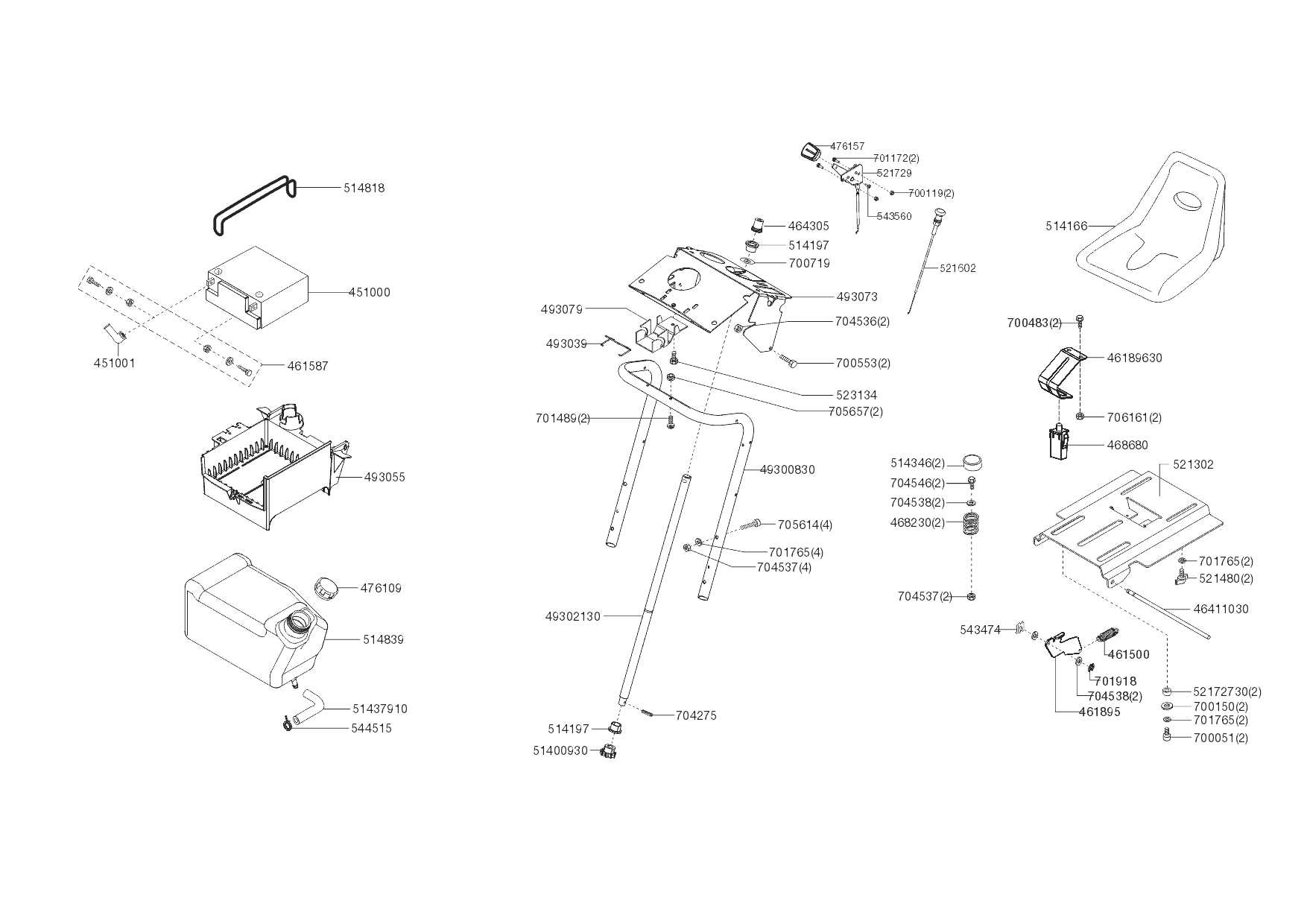
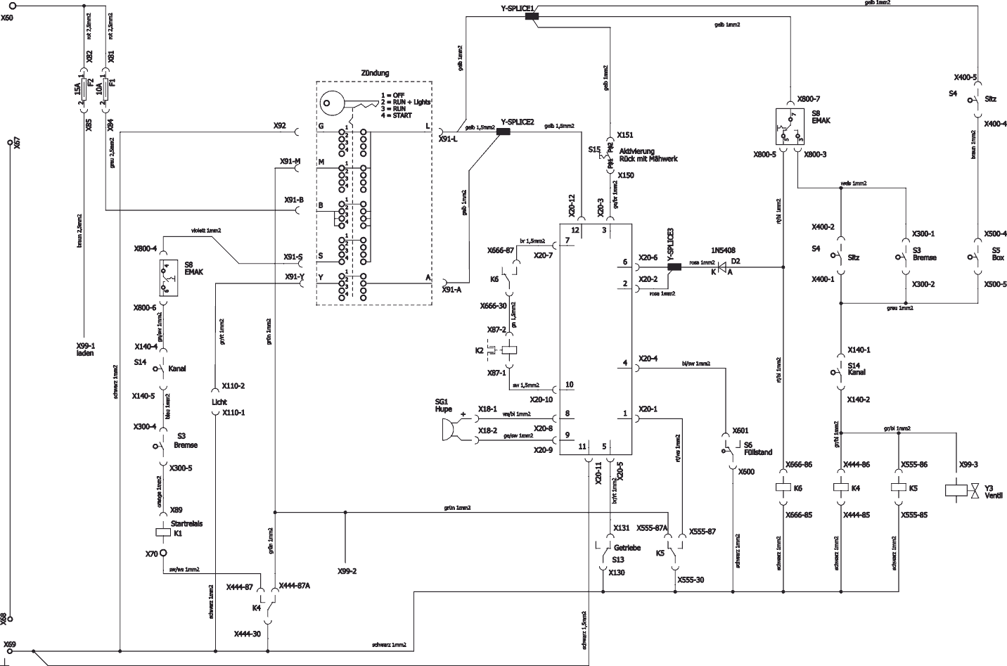
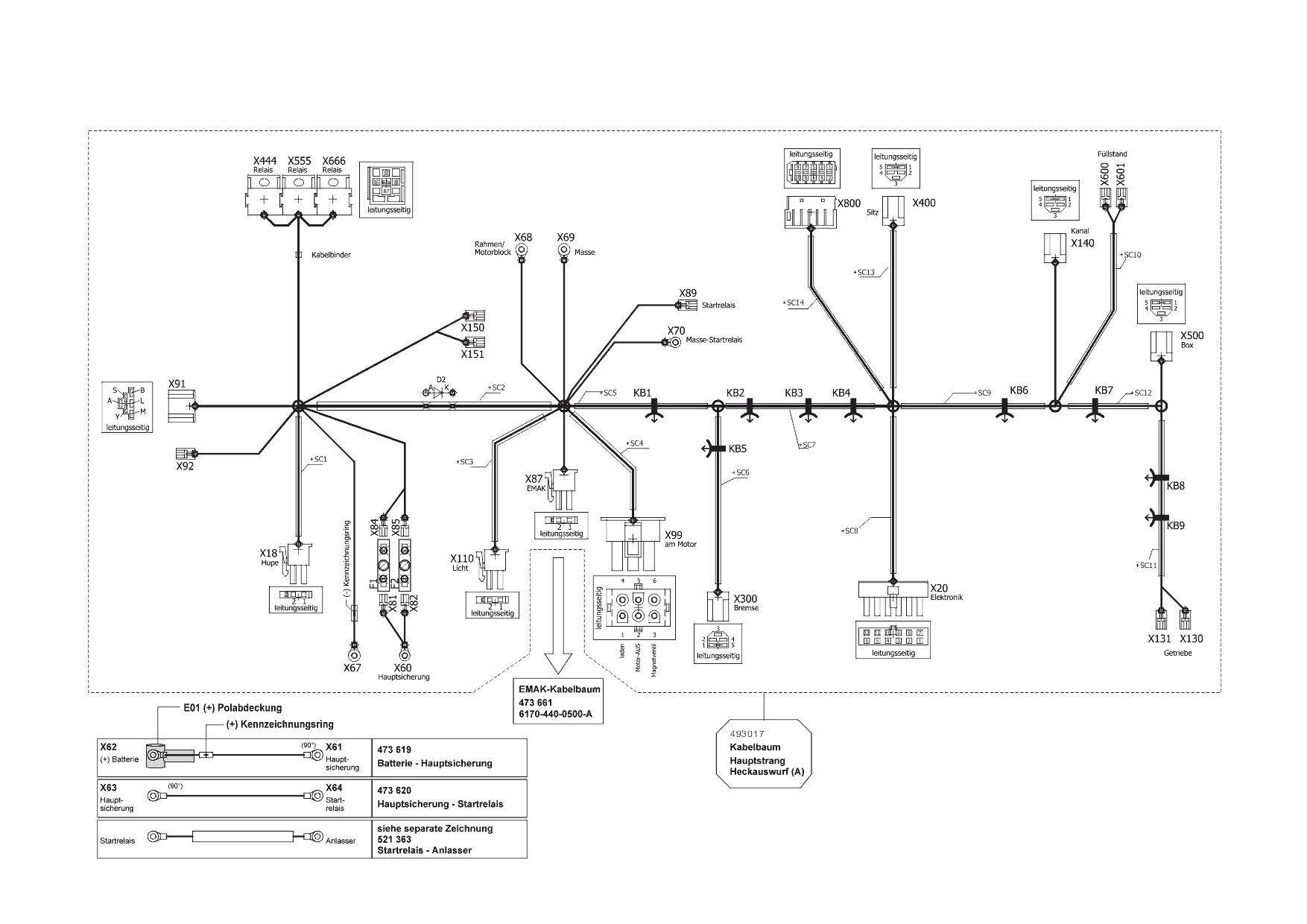
Zeichnung Brill Rasentraktor T103-16 H CROSSOVER (119963) ab 03/2020:

Zeichnung 1
Zeichnung 2
Zeichnung 3
Zeichnung 4
Zeichnung 5
Zeichnung 5
Zeichnung 5
Zeichnung 5
Zeichnung 5
Zeichnung 5
Zeichnung 5

Sollten Sie Fragen zu einem Ersatzteil haben, können Sie uns gerne eine Ersatzteilanfrage stellen.

Hier finden Sie alle Ersatzteile für Brill Rasentraktor T103-16 H CROSSOVER (119963) ab 03/2020:
Artikel 1 - 20 von 399