02/2019 - 06/2019

Zeichnung Brill Rasentraktor T103-16 H CROSSOVER (119963) 02/2019 - 06/2019:

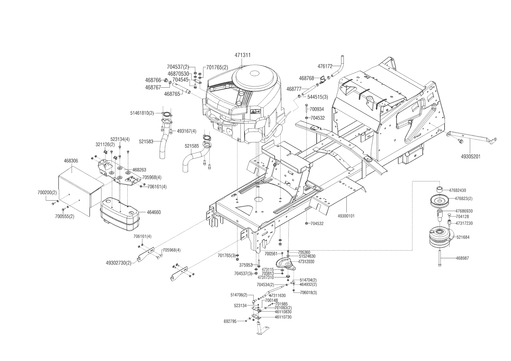
Zeichnung 1
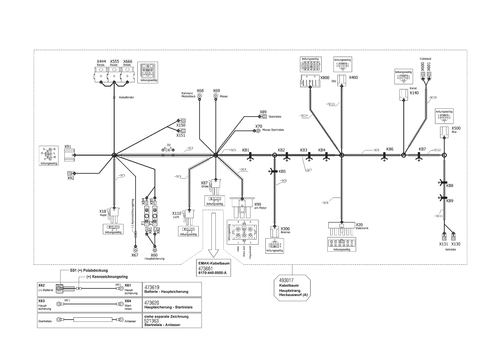
Zeichnung 2
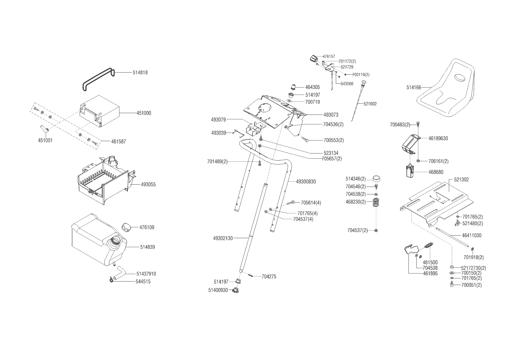
Zeichnung 3
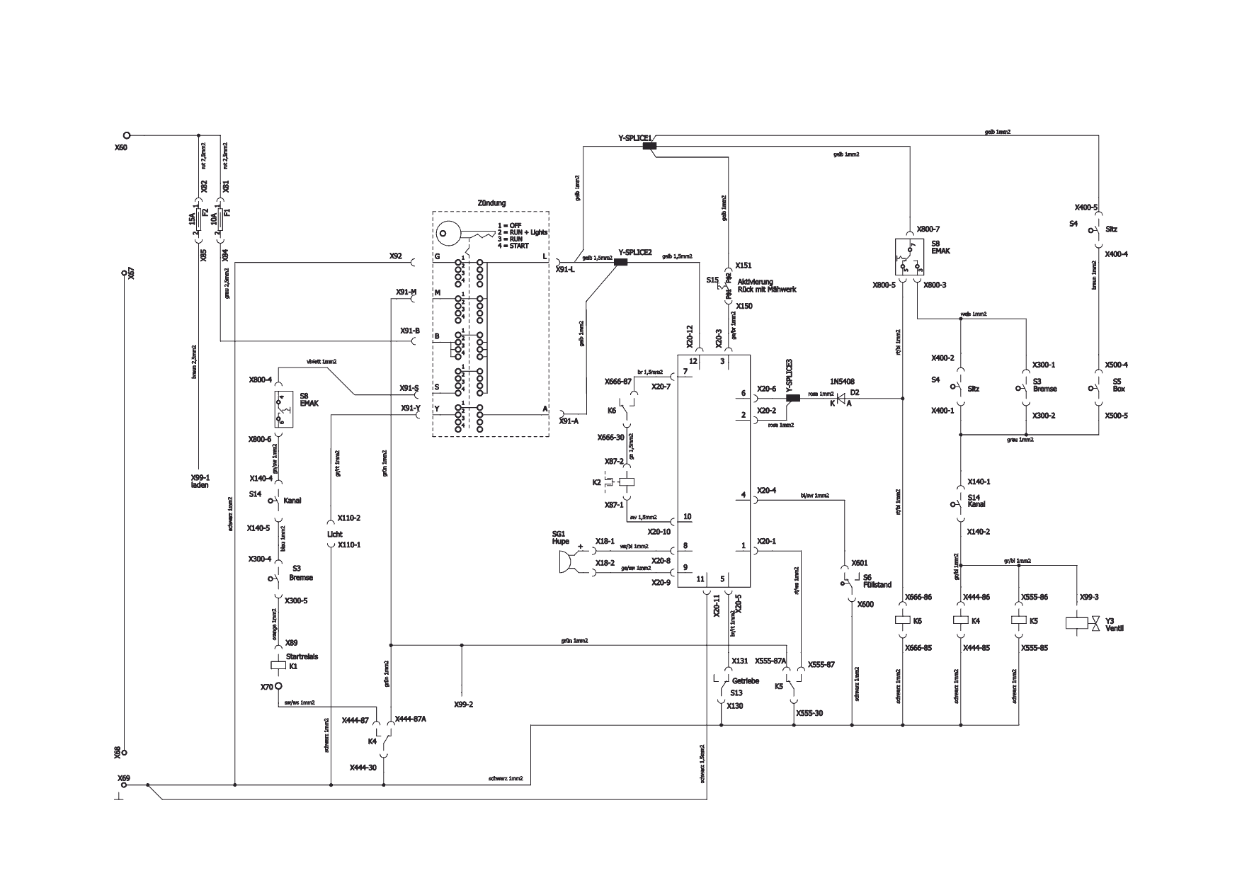
Zeichnung 4
Zeichnung 5
Zeichnung 5
Zeichnung 5
Zeichnung 5
Zeichnung 5
Zeichnung 5
Zeichnung 5

Sollten Sie Fragen zu einem Ersatzteil haben, können Sie uns gerne eine Ersatzteilanfrage stellen.

Hier finden Sie alle Ersatzteile für Brill Rasentraktor T103-16 H CROSSOVER (119963) 02/2019 - 06/2019:
Artikel 1 - 20 von 398