bis 12/2014

Ersatzteile für Scheppach Wippsäge HWS 701 Stürmer (Gerätenr. 19051099918) - bis 12/2014

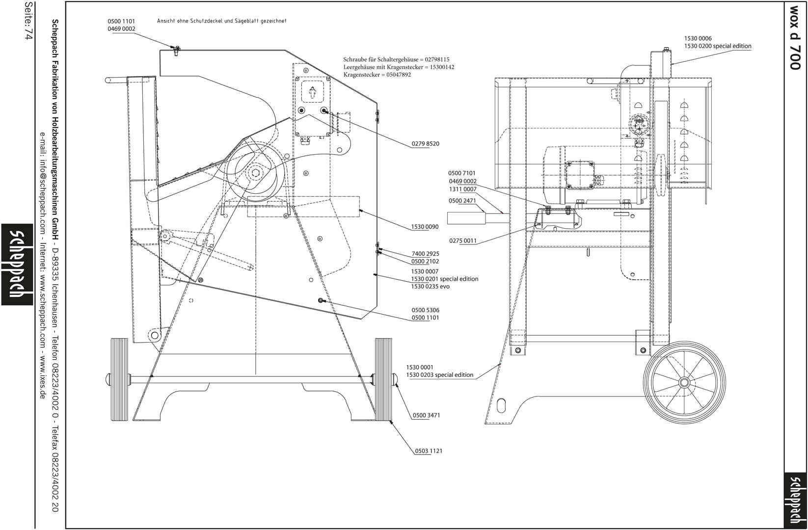
Zeichnung 01
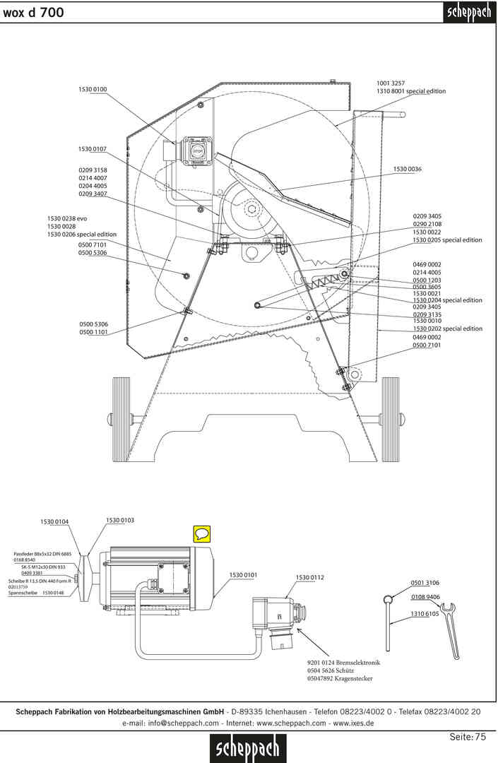
Zeichnung 02

Sollten Sie Fragen zu einem Ersatzteil für Scheppach Wippsäge HWS 701 Stürmer (Gerätenr. 19051099918) haben, können Sie uns gerne eine E-Mail (mit einem Foto vom Typenschild Ihres Gerätes) schreiben oder eine Ersatzteilanfrage stellen.

Folgende Ersatzteile für Scheppach Wippsäge HWS 701 Stürmer (Gerätenr. 19051099918) können Sie hier bestellen:
Artikel 1 - 30 von 61


Artikel 1 - 30 von 61