ab 12/2014

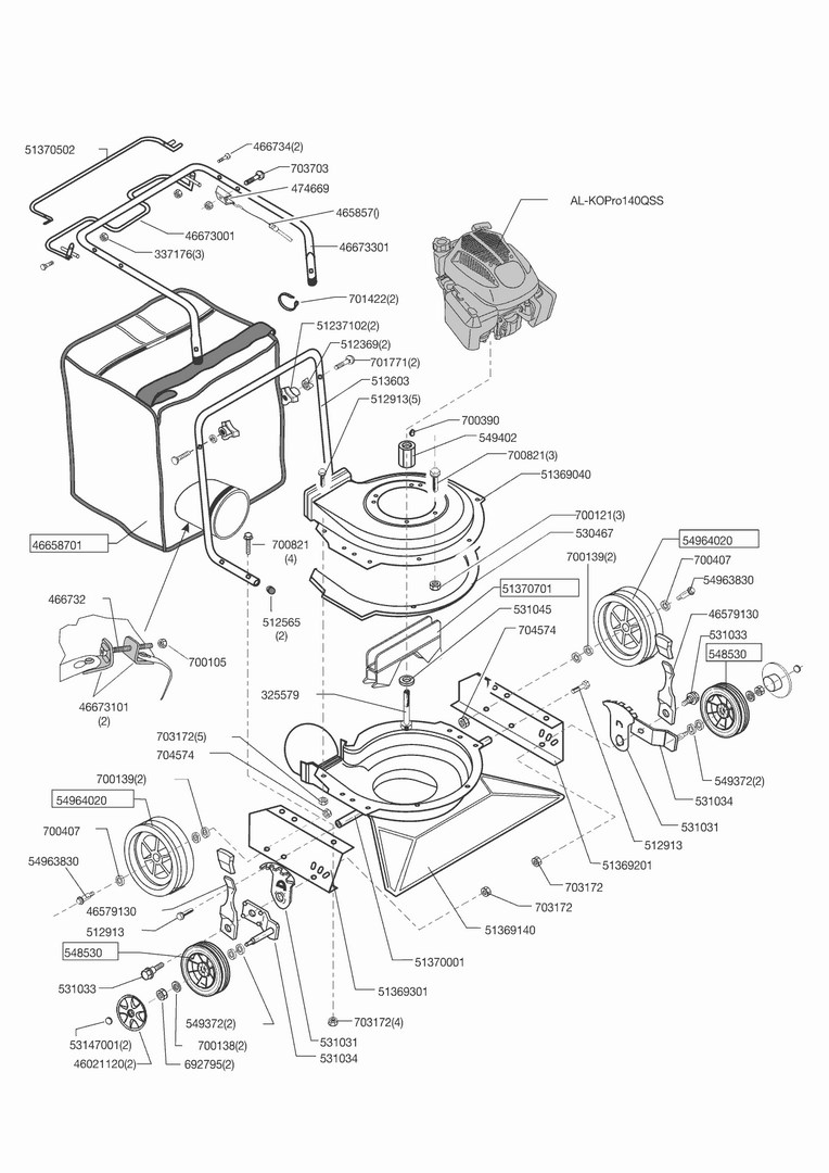
Zeichnungen von AL-KO Laubsauger 75 B Hurricane ab 12/2014 mit der Geräte-Artikelnr. 121605:

Zeichnung 1

Nicht alle Ersatzteile von AL-KO Laubsauger 75 B Hurricane (121605) ab 12/2014 sind immer lieferbar/vorrätig.
Sollten Sie Fragen zu einem Ersatzteil haben, können Sie uns gerne Mail schreiben oder eine Ersatzteilanfrage stellen.
Ersatzteile von Laubsauger 75 B Hurricane:
Artikel 1 - 10 von 42