ab 11/2022

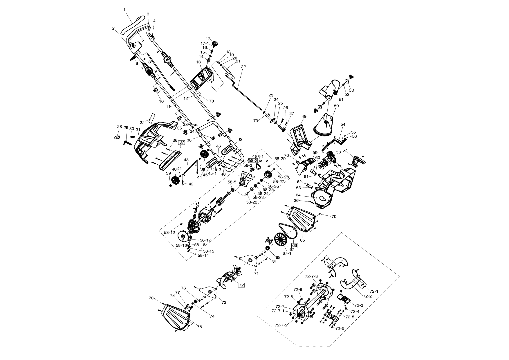
Zeichnung AL-KO Schneefräse 46 E Snowline (112932) ab 11/2022:

Zeichnung 1

Sollten Sie Fragen zu einem Ersatzteil haben, können Sie uns gerne eine Ersatzteilanfrage stellen.

Hier finden Sie alle Ersatzteile für AL-KO Schneefräse 46 E Snowline (112932) ab 11/2022:

Artikel 1 - 20 von 110