ab 09/2016

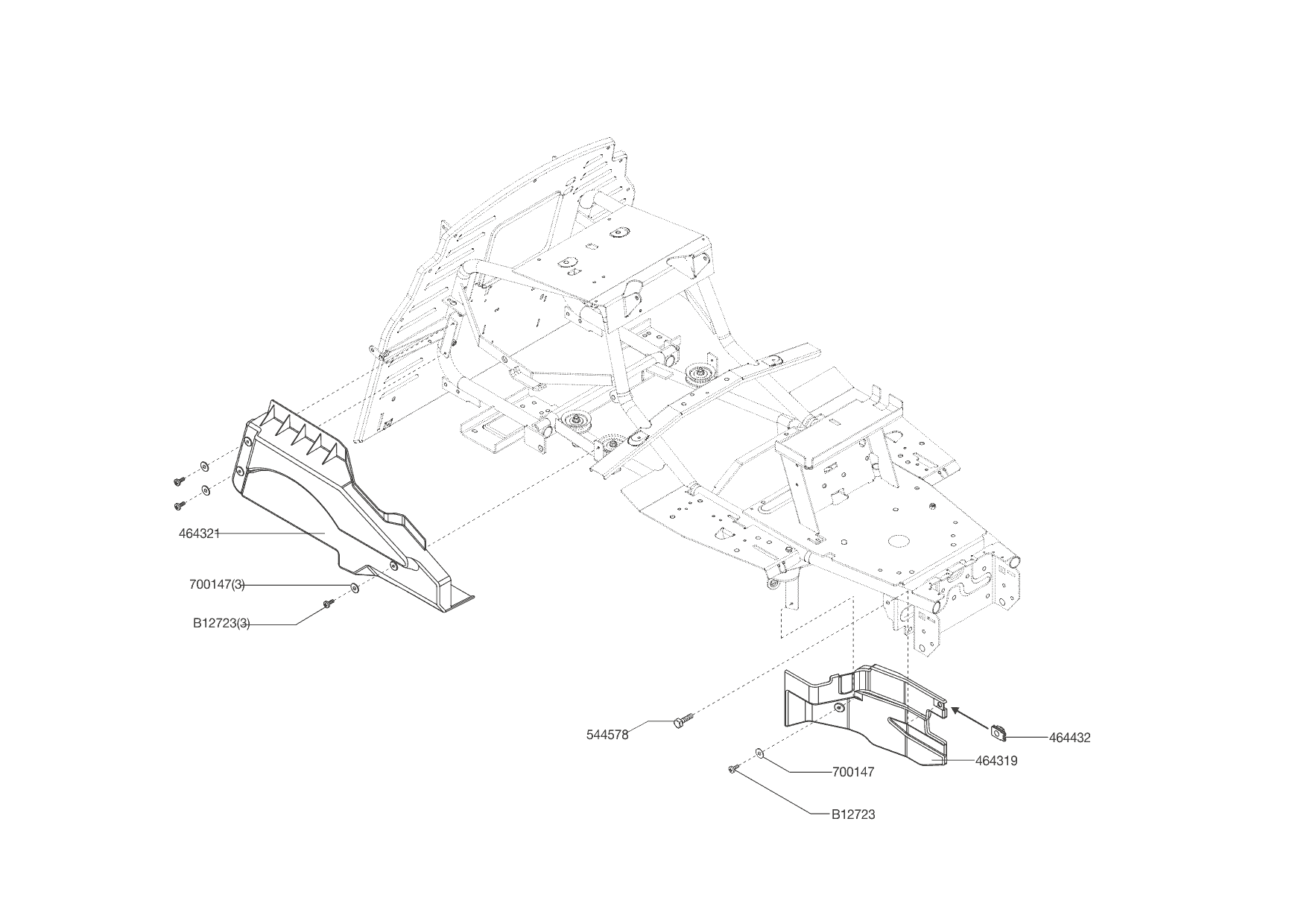
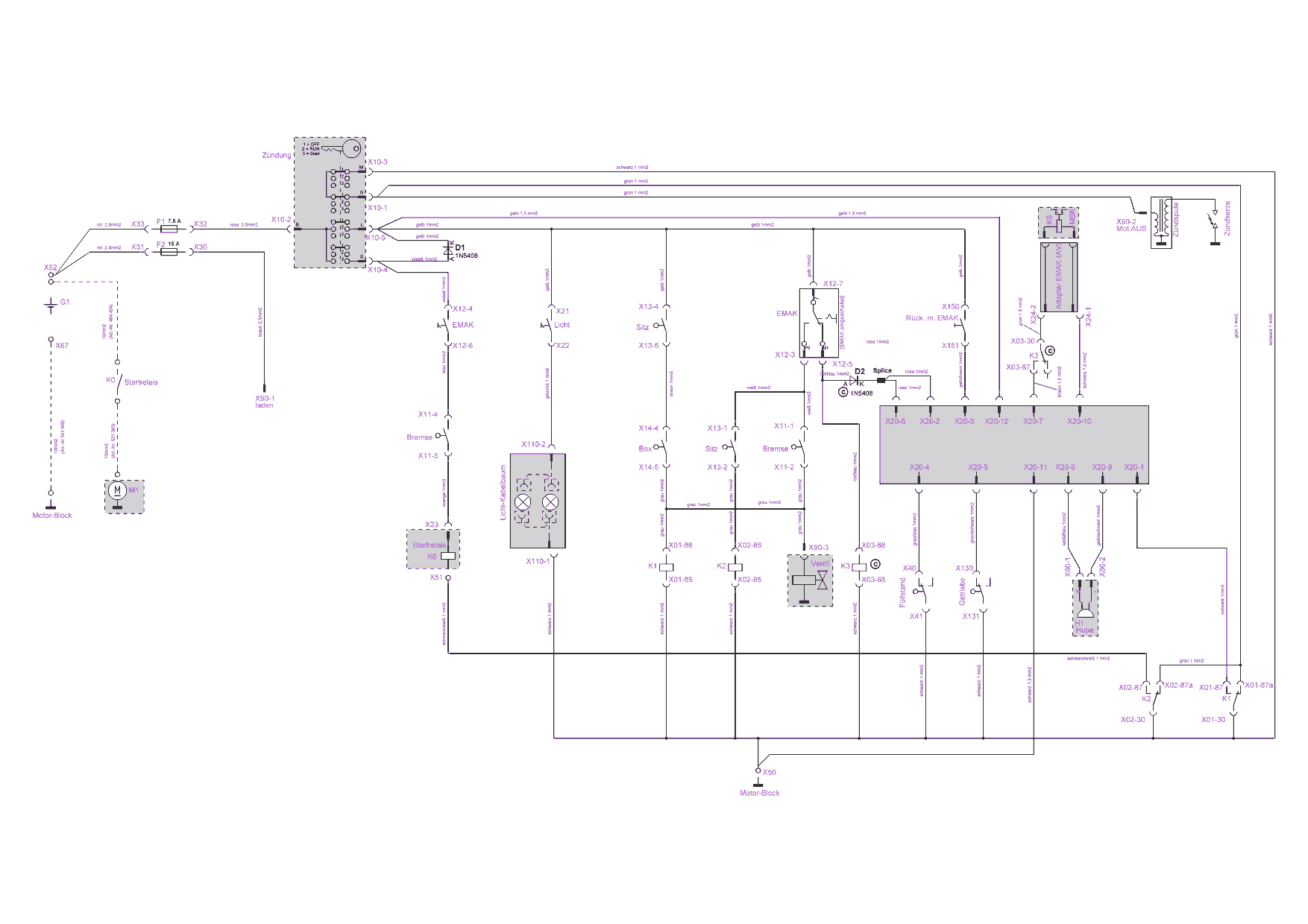
Zeichnung AL-KO Rasentraktor T13-102 HD PRO HVC (119758) ab 09/2016:

Zeichnung 1
Zeichnung 2
Zeichnung 2
Zeichnung 2
Zeichnung 2
Zeichnung 2
Zeichnung 2
Zeichnung 2
Zeichnung 2
Zeichnung 2
Zeichnung 2

Sollten Sie Fragen zu einem Ersatzteil haben, können Sie uns gerne eine Ersatzteilanfrage stellen.

Hier finden Sie alle Ersatzteile für AL-KO Rasentraktor T13-102 HD PRO HVC (119758) ab 09/2016:

Artikel 1 - 20 von 391