ab 09/2008

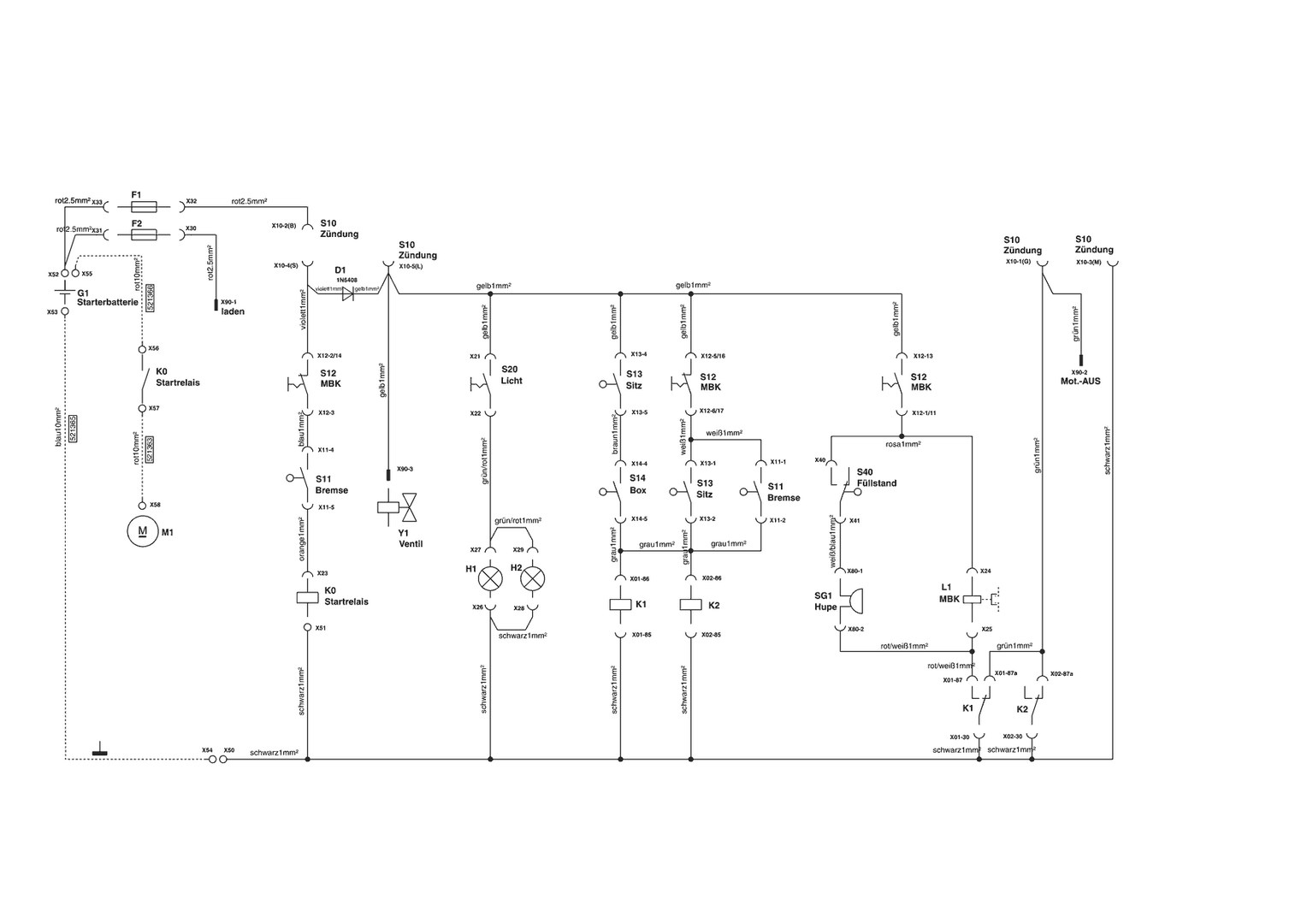
Zeichnungen von AL-KO Rasentraktor COMFORT T16-92 HD-H ab 09/2008 mit der Geräte-Artikelnr. 118964:

Zeichnung 1
Zeichnung 2
Zeichnung 3
Zeichnung 4
Zeichnung 5
Zeichnung 6
Zeichnung 7
Zeichnung 8
Zeichnung 9

Nicht alle Ersatzteile von AL-KO Rasentraktor COMFORT T16-92 HD-H (118964) ab 09/2008 sind immer lieferbar/vorrätig.
Sollten Sie Fragen zu einem Ersatzteil haben, können Sie uns gerne Mail schreiben oder eine Ersatzteilanfrage stellen.
Ersatzteile von Rasentraktor COMFORT T16-92 HD-H:
Artikel 1 - 20 von 405

127,44 € *
Lieferzeit: 2 - 10 Werktage