ab 09/2007

Zeichnungen von Powerline Rasentraktor T 13-82 HD ab 09/2007 mit der Geräte-Artikelnr. 118781:

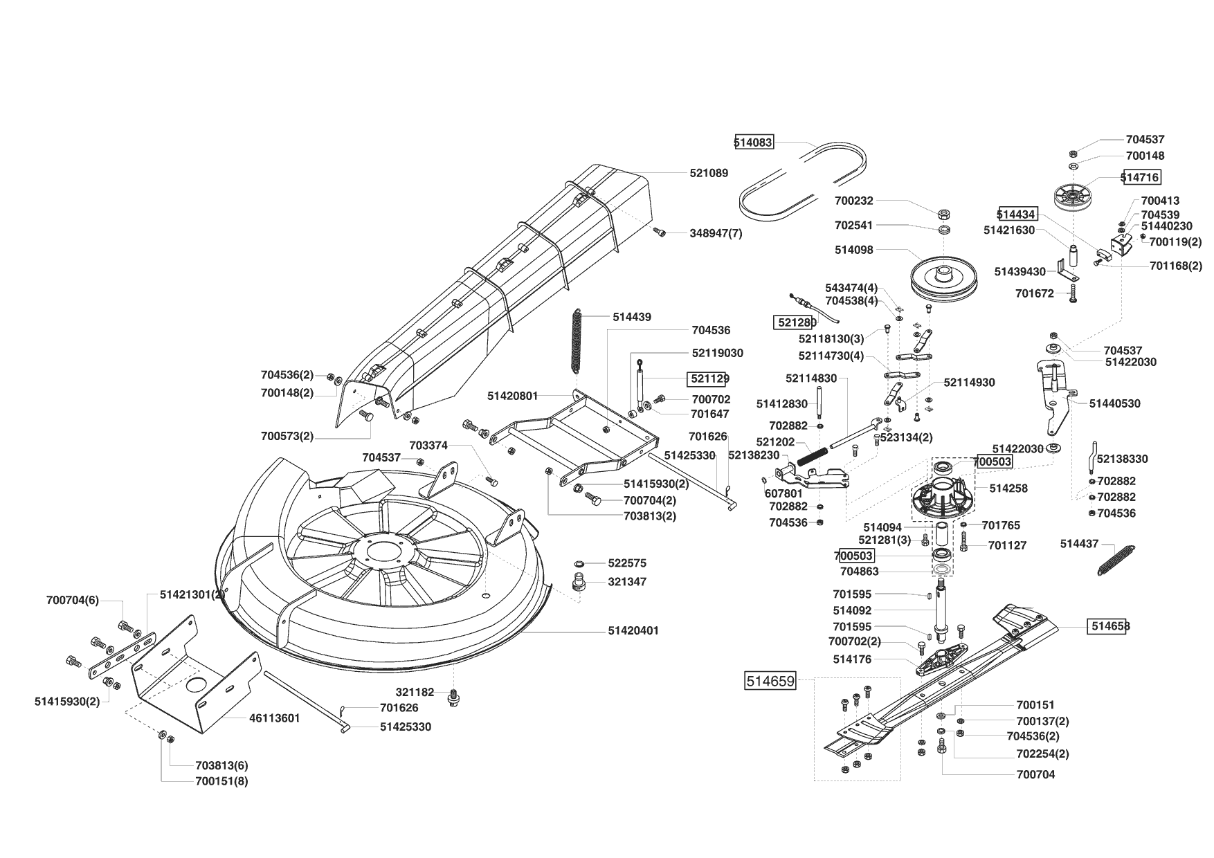
Zeichnung 1
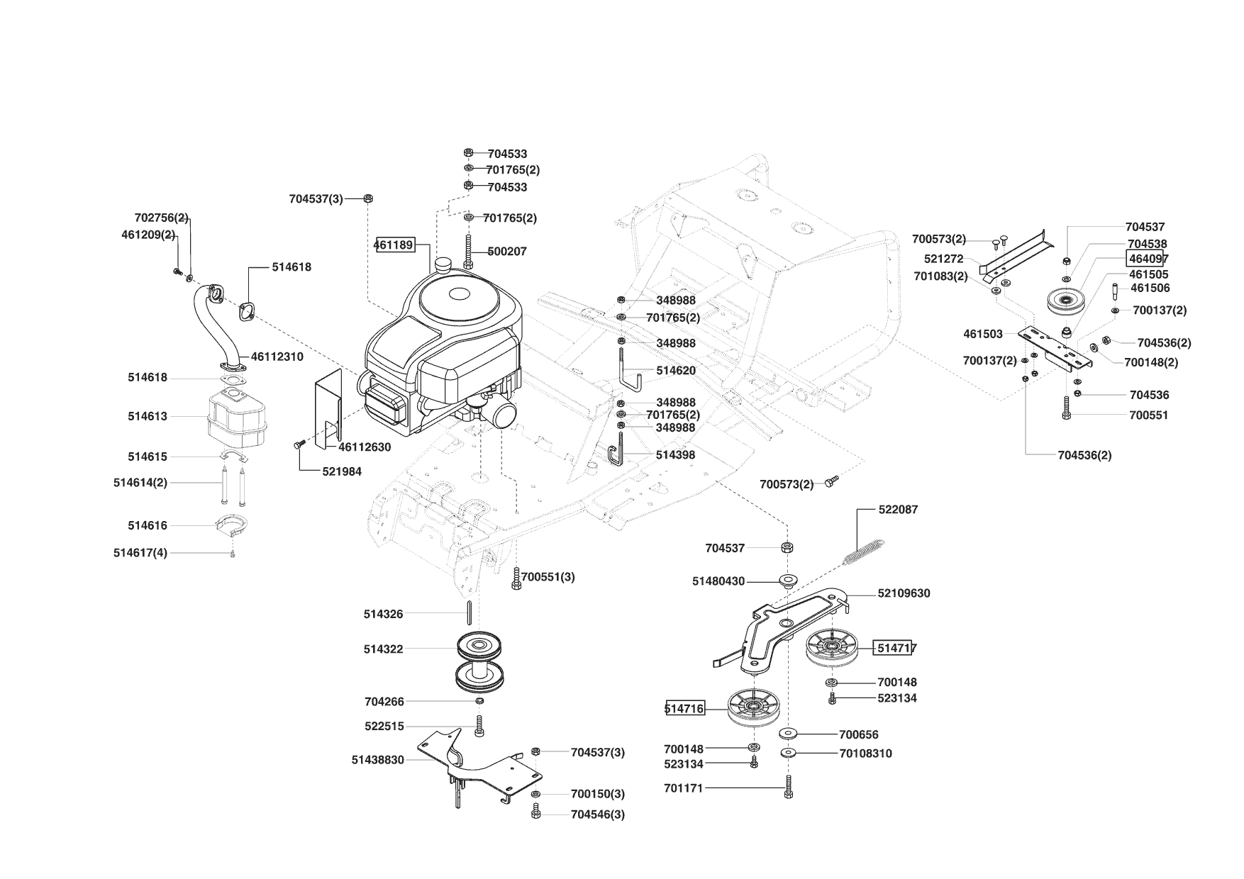
Zeichnung 2
Zeichnung 3
Zeichnung 4
Zeichnung 5
Zeichnung 6
Zeichnung 7

Nicht alle Ersatzteile von Powerline Rasentraktor T 13-82 HD (118781) ab 09/2007 sind immer lieferbar/vorrätig.
Sollten Sie Fragen zu einem Ersatzteil haben, können Sie uns gerne Mail schreiben oder eine Ersatzteilanfrage stellen.
Ersatzteile von Rasentraktor T 13-82 HD:
Artikel 1 - 20 von 367

127,44 € *
Lieferzeit: 2 - 10 Werktage
18,82 € *
Lieferzeit: 2 - 10 Werktage