ab 09/2007

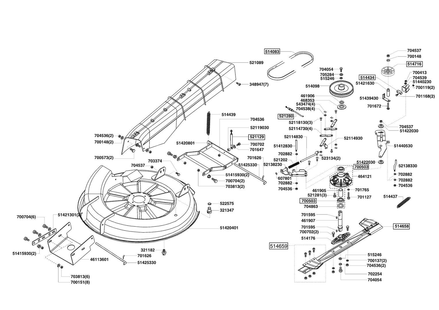
Zeichnungen von AL-KO Rasentraktor T13-85 HD LUX HVC ab 09/2007 mit der Geräte-Artikelnr. 118145:

Zeichnung 1
Zeichnung 2
Zeichnung 3
Zeichnung 4
Zeichnung 5
Zeichnung 6
Zeichnung 7
Zeichnung 8

Nicht alle Ersatzteile von AL-KO Rasentraktor T13-85 HD LUX HVC (118145) ab 09/2007 sind immer lieferbar/vorrätig.
Sollten Sie Fragen zu einem Ersatzteil haben, können Sie uns gerne Mail schreiben oder eine Ersatzteilanfrage stellen.
Ersatzteile von Rasentraktor T13-85 HD LUX HVC:
Artikel 1 - 20 von 369

127,44 € *
Lieferzeit: 2 - 10 Werktage