ab 07/2012

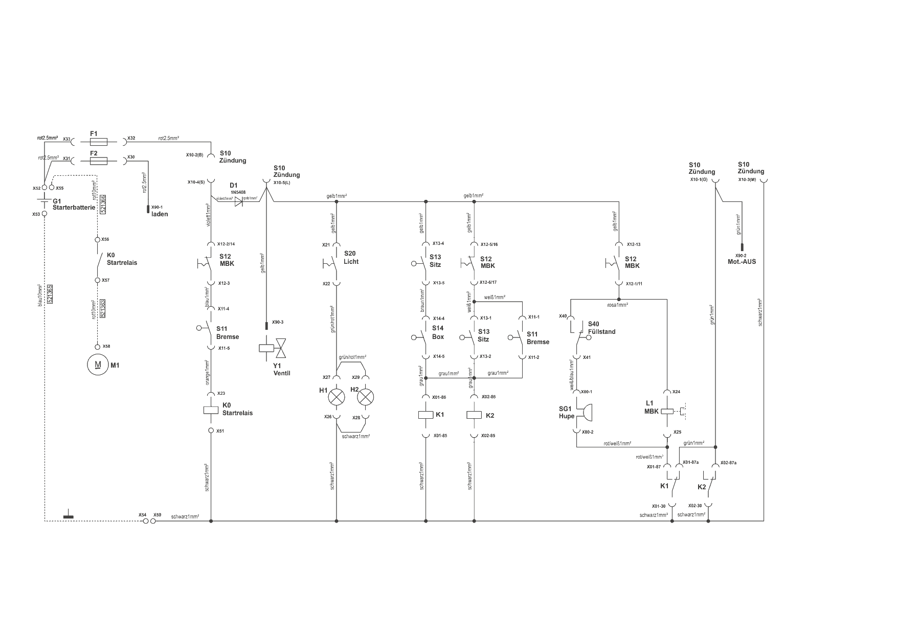
Zeichnungen von Powerline Rasentraktor T16-102 HD Edition ab 07/2012 mit der Geräte-Artikelnr. 119265:

Zeichnung 1
Zeichnung 2
Zeichnung 3
Zeichnung 4
Zeichnung 5
Zeichnung 6
Zeichnung 7
Zeichnung 8
Zeichnung 9

Nicht alle Ersatzteile von Powerline Rasentraktor T16-102 HD Edition (119265) ab 07/2012 sind immer lieferbar/vorrätig.
Sollten Sie Fragen zu einem Ersatzteil haben, können Sie uns gerne Mail schreiben oder eine Ersatzteilanfrage stellen.
Ersatzteile von Rasentraktor T16-102 HD Edition:
Artikel 1 - 10 von 407