ab 03/2024

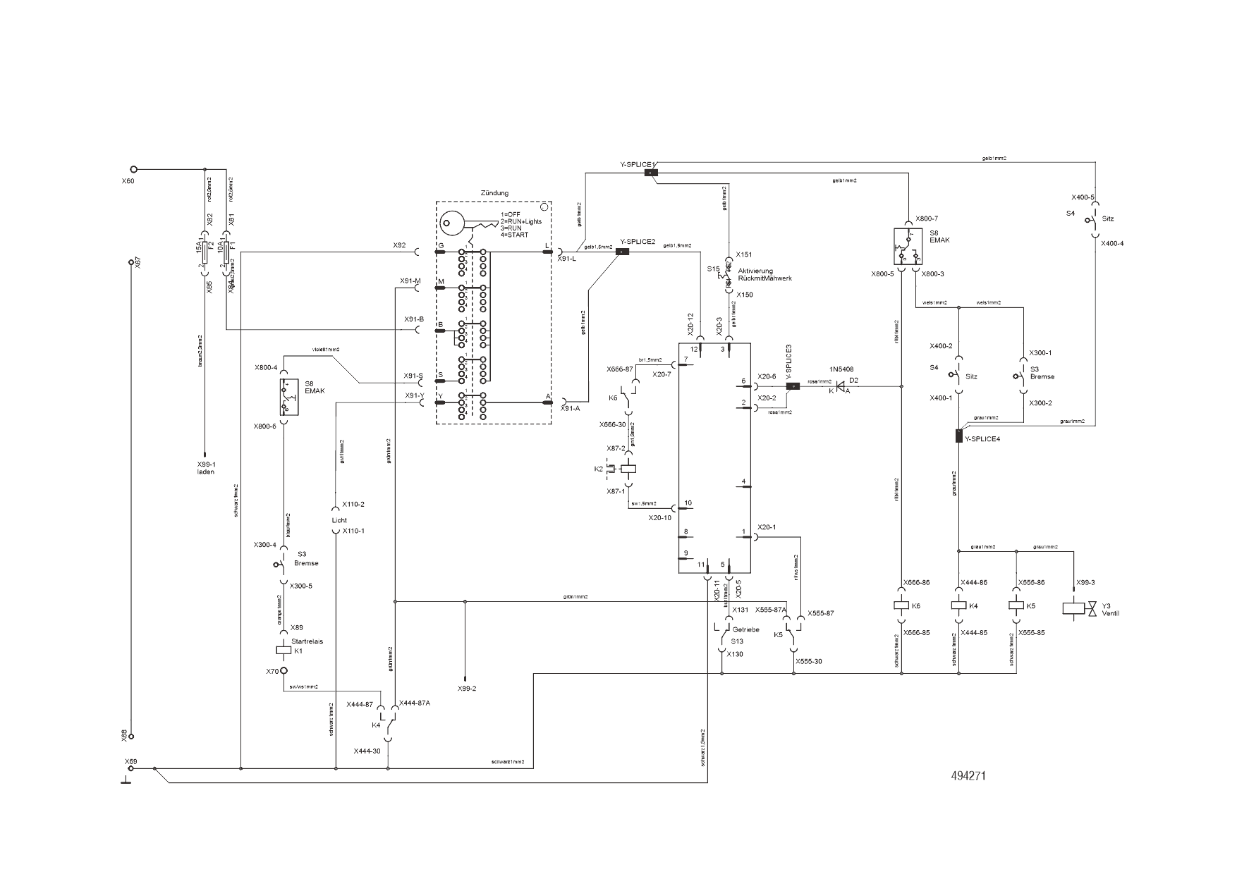
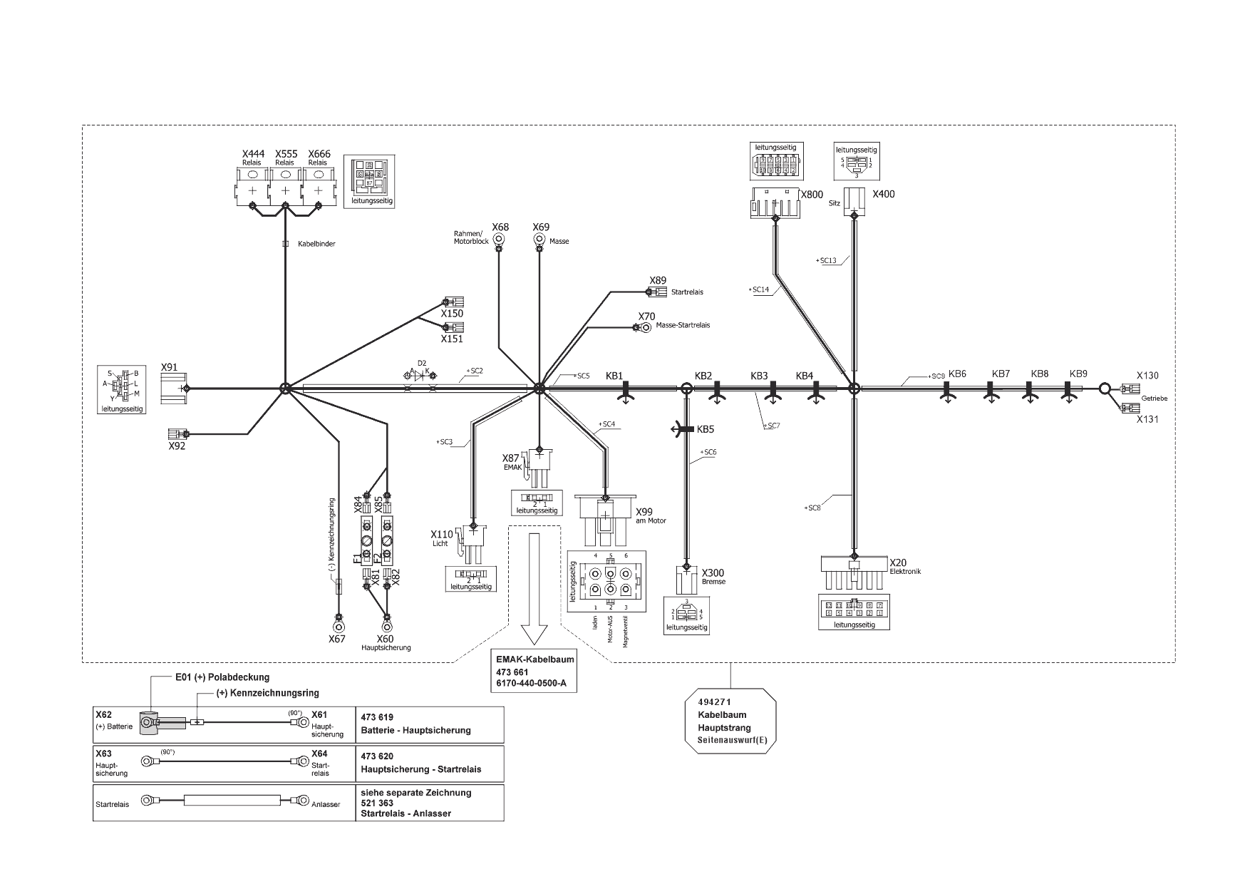
Zeichnung AL-KO Rasentraktor 18-111.2 HDS COMFORT (123015) ab 03/2024:

Zeichnung 1
Zeichnung 2
Zeichnung 3
Zeichnung 4
Zeichnung 5
Zeichnung 5
Zeichnung 5
Zeichnung 5
Zeichnung 5
Zeichnung 5

Sollten Sie Fragen zu einem Ersatzteil haben, können Sie uns gerne eine Ersatzteilanfrage stellen.

Hier finden Sie alle Ersatzteile für AL-KO Rasentraktor 18-111.2 HDS COMFORT (123015) ab 03/2024:
Artikel 1 - 20 von 339