ab 03/2009

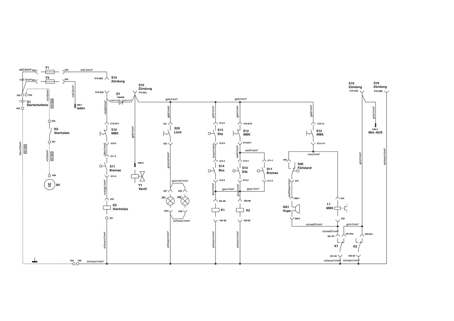
Zeichnungen von AL-KO Rasentraktor COMFORT T1500 HD ab 03/2009 mit der Geräte-Artikelnr. 119228:

Zeichnung 1
Zeichnung 2
Zeichnung 3
Zeichnung 4
Zeichnung 5
Zeichnung 6
Zeichnung 7
Zeichnung 8
Zeichnung 9

Nicht alle Ersatzteile von AL-KO Rasentraktor COMFORT T1500 HD (119228) ab 03/2009 sind immer lieferbar/vorrätig.
Sollten Sie Fragen zu einem Ersatzteil haben, können Sie uns gerne Mail schreiben oder eine Ersatzteilanfrage stellen.
Ersatzteile von Rasentraktor COMFORT T1500 HD:
Artikel 1 - 20 von 394

52,88 € *
Lieferzeit: 2 - 10 Werktage