ab 02/2022

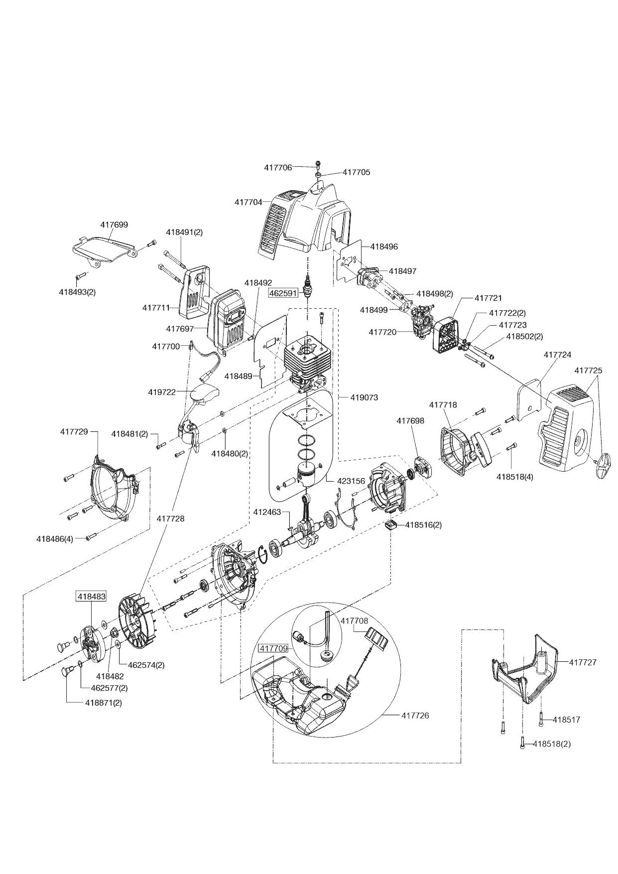
Zeichnung AL-KO Motorsensen GT 410 DL (113812) ab 02/2022:

Zeichnung 1
Zeichnung 2

Sollten Sie Fragen zu einem Ersatzteil haben, können Sie uns gerne eine Ersatzteilanfrage stellen.

Hier finden Sie alle Ersatzteile für AL-KO Motorsensen GT 410 DL (113812) ab 02/2022:
Artikel 1 - 30 von 81


Artikel 1 - 30 von 81