ab 02/2019

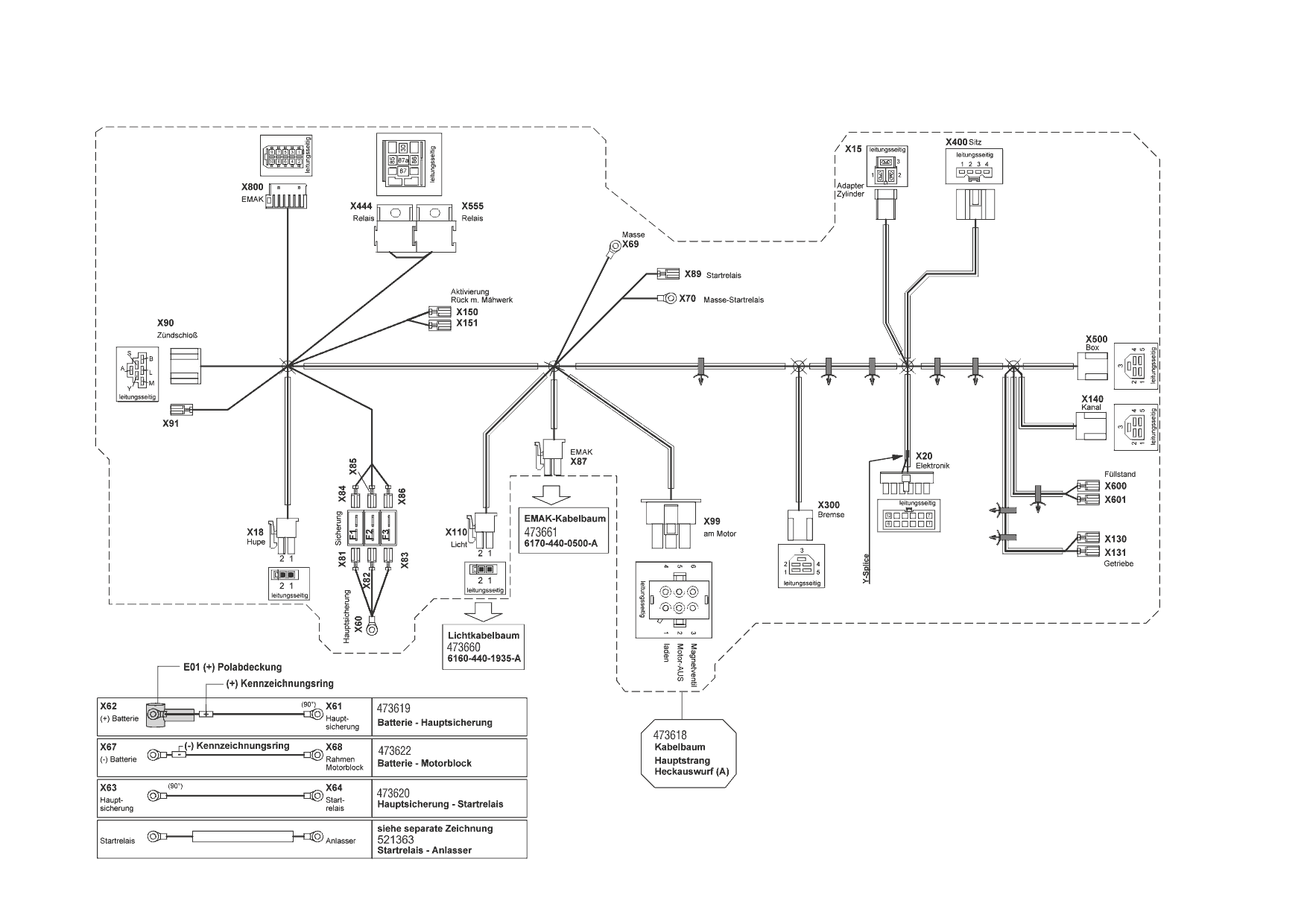
Zeichnung Powerline Rasentraktor T 16-95.4 HD V2 (119349) ab 02/2019:

Zeichnung 1
Zeichnung 2
Zeichnung 3
Zeichnung 4
Zeichnung 5
Zeichnung 5
Zeichnung 5
Zeichnung 5
Zeichnung 5
Zeichnung 5
Zeichnung 5

Sollten Sie Fragen zu einem Ersatzteil haben, können Sie uns gerne eine Ersatzteilanfrage stellen.

Hier finden Sie alle Ersatzteile für Powerline Rasentraktor T 16-95.4 HD V2 (119349) ab 02/2019:
Artikel 1 - 20 von 450