ab 02/2013
Zeichnungen von Solo by AL-KO Aufsitzmäher 555 / 555 Hydro ab 02/2013 mit der Geräte-Artikelnr. 126606:
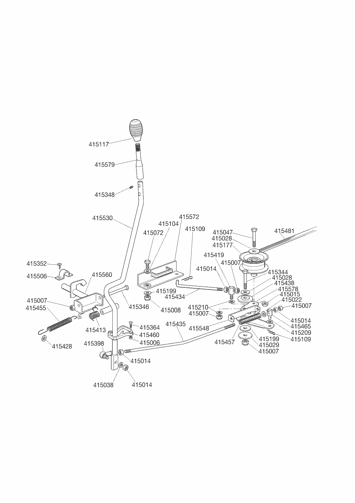
Zeichnung 1
|
Zeichnung 2![]() |
Zeichnung 3![]() |
Zeichnung 4![]() |
Zeichnung 5![]() |
Zeichnung 6![]() |
Zeichnung 7![]() |
Zeichnung 8![]() |
Zeichnung 9![]() |
Zeichnung 10![]() |
Zeichnung 11![]() |
Zeichnung 12![]() |
Zeichnung 13![]() |
Zeichnung 14![]() |
Zeichnung 15![]() |
Nicht alle Ersatzteile von Solo by AL-KO Aufsitzmäher 555 / 555 Hydro (126606) ab 02/2013 sind immer lieferbar/vorrätig.
Sollten Sie Fragen zu einem Ersatzteil haben, können Sie uns gerne
Artikel 1 - 20 von 437
Artikel 1 - 20 von 437
