ab 02/2011

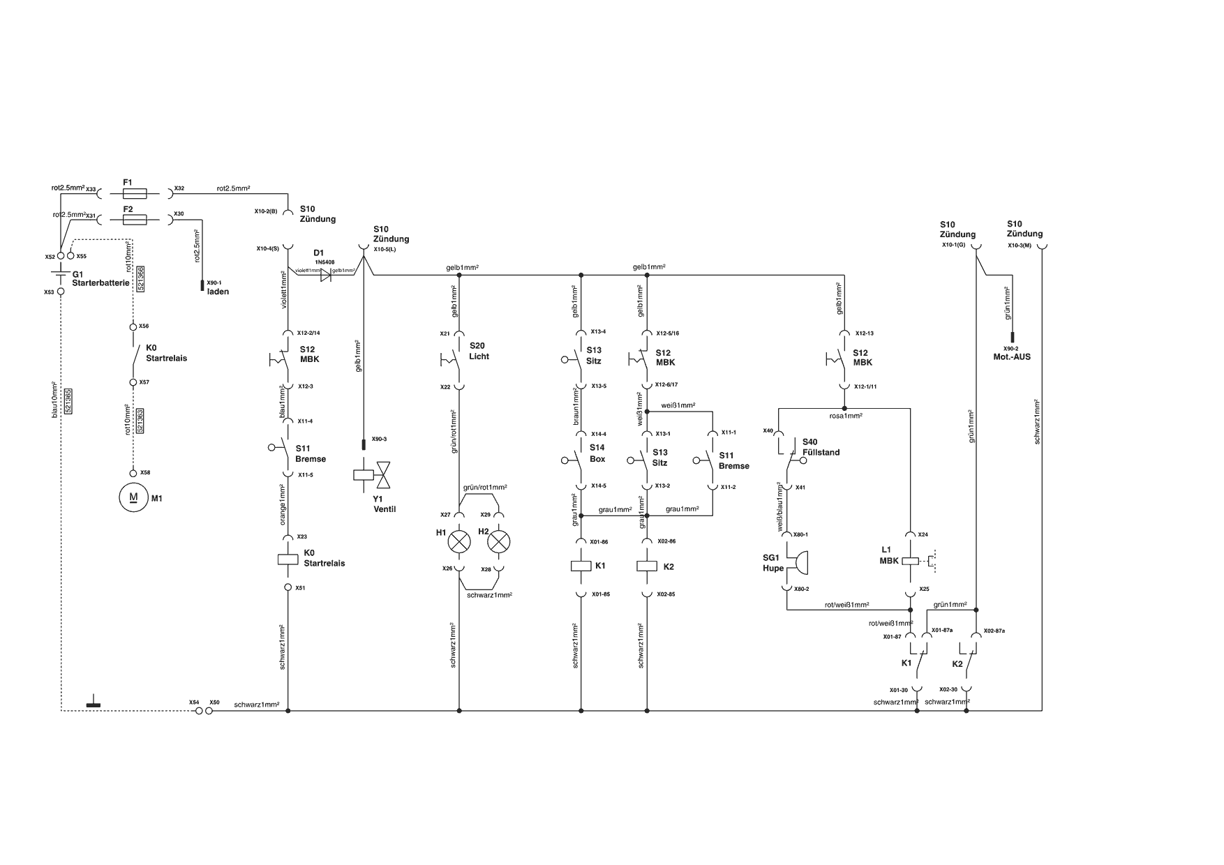
Zeichnung AL-KO Rasentraktor COMFORT T 1000 HD (119046) ab 02/2011:

Zeichnung 1
Zeichnung 2
Zeichnung 2
Zeichnung 2
Zeichnung 2
Zeichnung 2
Zeichnung 2
Zeichnung 2
Zeichnung 2

Sollten Sie Fragen zu einem Ersatzteil haben, können Sie uns gerne eine Ersatzteilanfrage stellen.

Hier finden Sie alle Ersatzteile für AL-KO Rasentraktor COMFORT T 1000 HD (119046) ab 02/2011:

Artikel 1 - 20 von 312