ab 02/2009

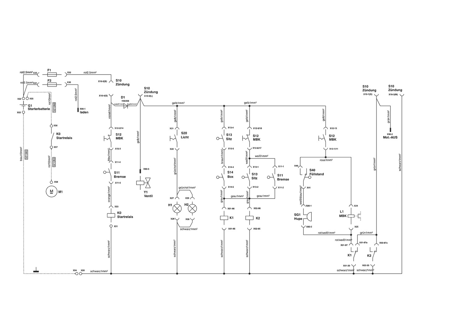
Zeichnungen von AL-KO Rasentraktor COMFORT T950 ab 02/2009 mit der Geräte-Artikelnr. 118924:

Zeichnung 1
Zeichnung 2
Zeichnung 3
Zeichnung 4
Zeichnung 5
Zeichnung 6
Zeichnung 7
Zeichnung 8
Zeichnung 9

Nicht alle Ersatzteile von AL-KO Rasentraktor COMFORT T950 (118924) ab 02/2009 sind immer lieferbar/vorrätig.
Sollten Sie Fragen zu einem Ersatzteil haben, können Sie uns gerne Mail schreiben oder eine Ersatzteilanfrage stellen.
Ersatzteile von Rasentraktor COMFORT T950:
Artikel 1 - 20 von 369

52,88 € *
Lieferzeit: 2 - 10 Werktage
6,40 € *
Lieferzeit: 2 - 10 Werktage