ab 02/2009

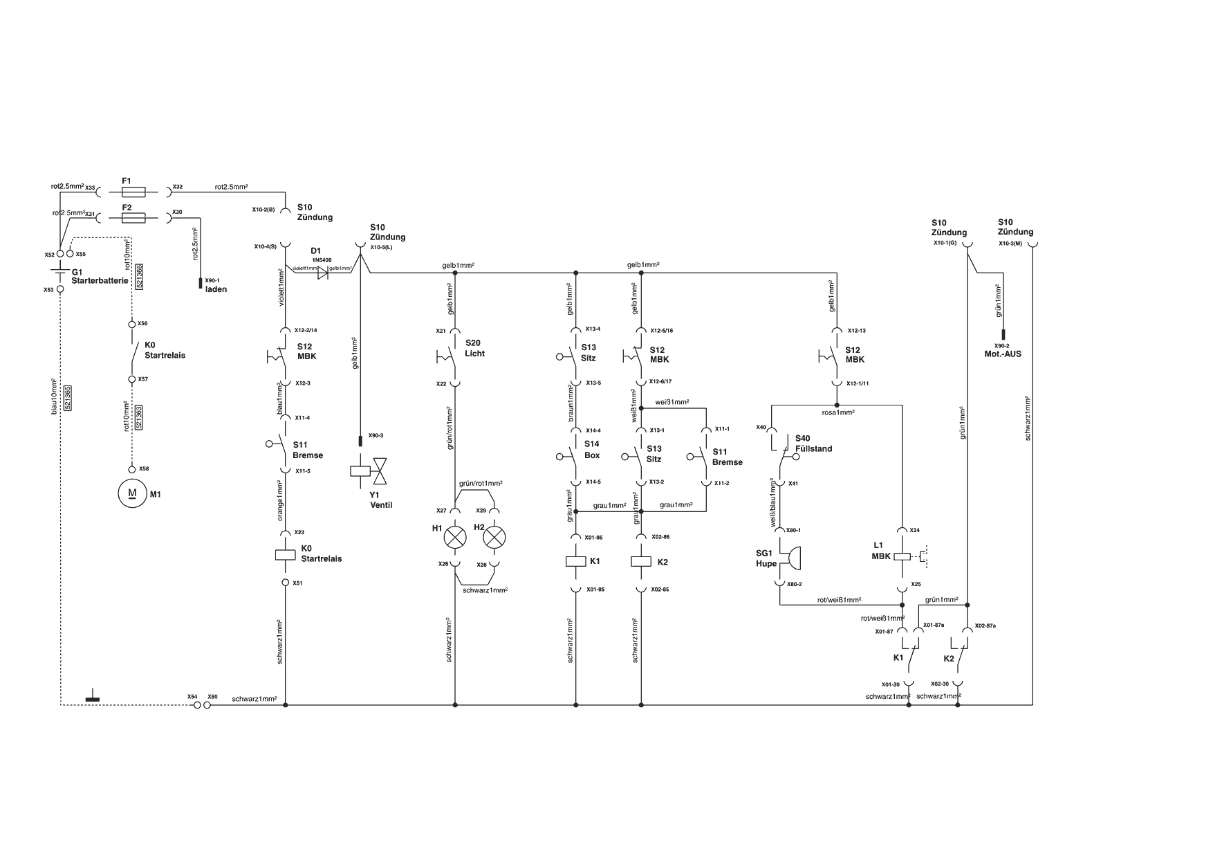
Zeichnung AL-KO Rasentraktor COMFORT T 1500 (118713) ab 02/2009:

Zeichnung 1
Zeichnung 2
Zeichnung 2
Zeichnung 2
Zeichnung 2
Zeichnung 2
Zeichnung 2
Zeichnung 2
Zeichnung 2

Sollten Sie Fragen zu einem Ersatzteil haben, können Sie uns gerne eine Ersatzteilanfrage stellen.

Hier finden Sie alle Ersatzteile für AL-KO Rasentraktor COMFORT T 1500 (118713) ab 02/2009:

Artikel 1 - 20 von 331