ab 02/2009

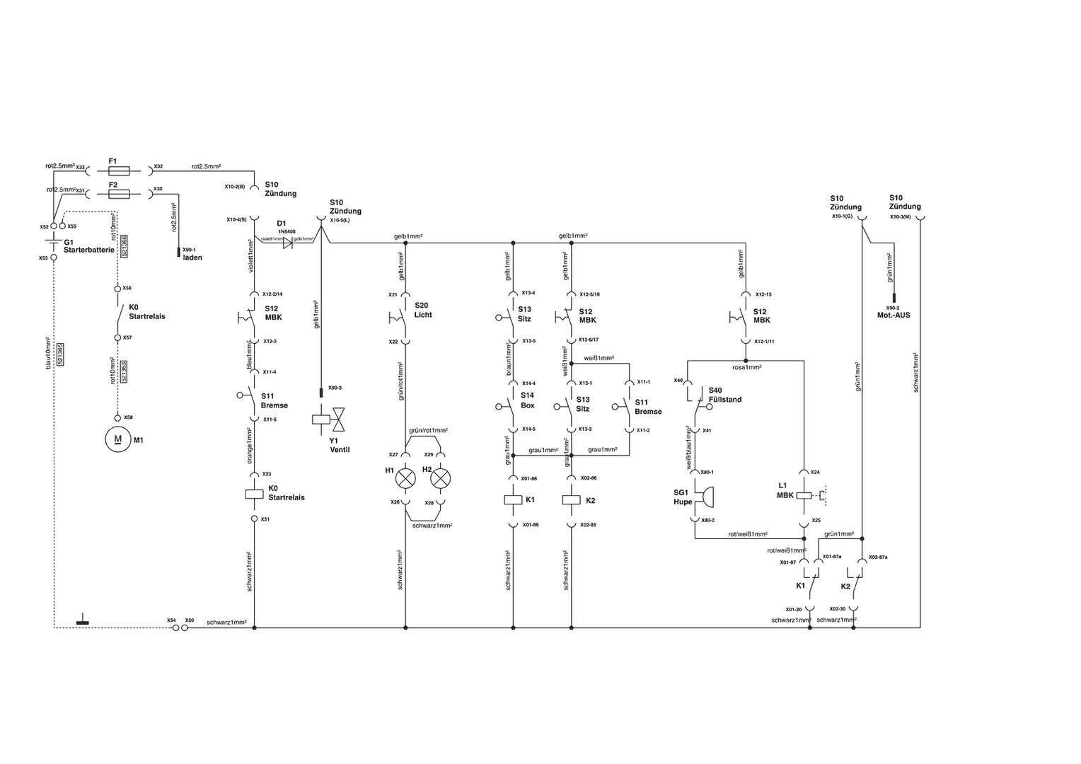
Zeichnungen von AL-KO Rasentraktor T18-102 HD MARINA ab 02/2009 mit der Geräte-Artikelnr. 119136:

Zeichnung 1
Zeichnung 2
Zeichnung 3
Zeichnung 4
Zeichnung 5
Zeichnung 6
Zeichnung 7
Zeichnung 8
Zeichnung 9

Nicht alle Ersatzteile von AL-KO Rasentraktor T18-102 HD MARINA (119136) ab 02/2009 sind immer lieferbar/vorrätig.
Sollten Sie Fragen zu einem Ersatzteil haben, können Sie uns gerne Mail schreiben oder eine Ersatzteilanfrage stellen.
Ersatzteile von Rasentraktor T18-102 HD MARINA:
Artikel 1 - 10 von 392

52,88 € *
Lieferzeit: 2 - 10 Werktage
127,44 € *
Lieferzeit: 2 - 10 Werktage