ab 01/2023

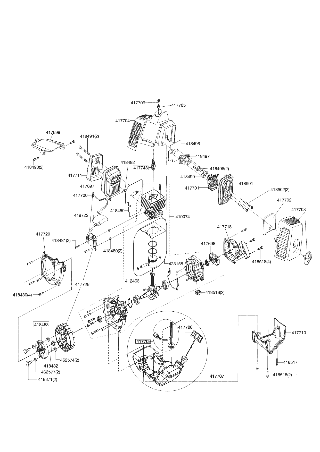
Zeichnung AL-KO Motorsensen BC 330 L (113757) ab 01/2023:

Zeichnung 1
Zeichnung 2

Sollten Sie Fragen zu einem Ersatzteil haben, können Sie uns gerne eine Ersatzteilanfrage stellen.

Hier finden Sie alle Ersatzteile für AL-KO Motorsensen BC 330 L (113757) ab 01/2023:
Artikel 1 - 20 von 78