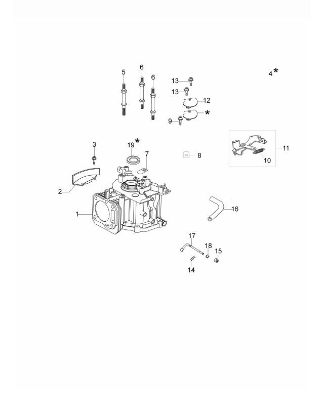
Zylinderkopf

Zeichnung Oleo-Mac Rasenmäher G 53 VK ALLROAD PLUS 4 (K800):

Zeichnung 1
Zeichnung 2
Zeichnung 3

Sollten Sie Fragen zu einem Ersatzteil haben, können Sie uns gerne eine Ersatzteilanfrage stellen.

Hier finden Sie alle Ersatzteile für Oleo-Mac Rasenmäher G 53 VK ALLROAD PLUS 4 (K800) aus der Zeichnung für Zylinderkopf:
Artikel 1 - 20 von 58

72,95 € *
Lieferzeit: 2 - 10 Werktage
13,42 € *
Lieferzeit: 2 - 10 Werktage

Artikel 1 - 20 von 58