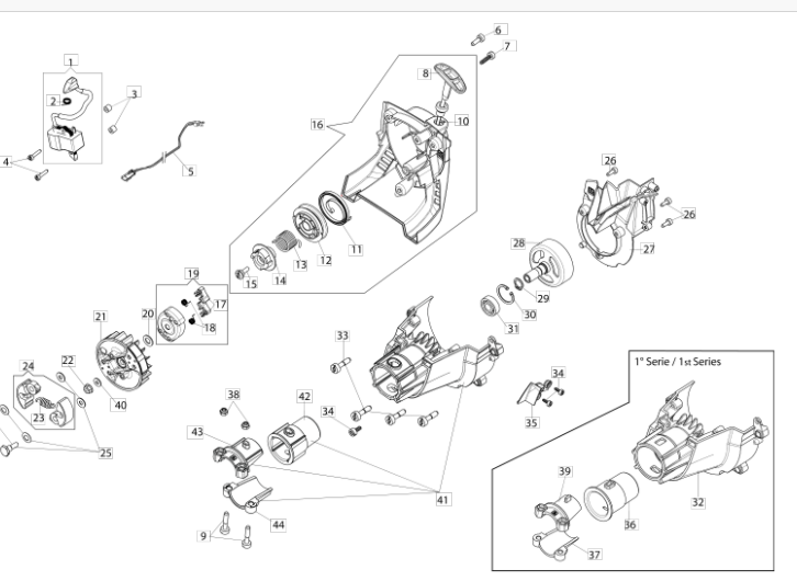
Zündanlage / Kupplung

Zeichnung EFCO Freischneider DS 2400 T (Euro 2):

Zeichnung 1

Sollten Sie Fragen zu einem Ersatzteil haben, können Sie uns gerne eine Ersatzteilanfrage stellen.

Hier finden Sie alle Ersatzteile für EFCO Freischneider DS 2400 T (Euro 2) aus der Zeichnung Zündanlage / Kupplung:
Artikel 41 - 43 von 43


Artikel 41 - 43 von 43