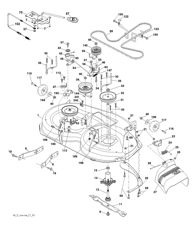
Zeichnung 8

Ersatzteile für McCulloch Gartentraktor M125107T Bj. ab Aug 2012 aus der Zeichnung 8
Gültig für Artikelnummer: 96041029000

Zeichnung 8

Sollten Sie Fragen zu einem Ersatzteil von McCulloch Gartentraktor M125107T Bj. ab Aug 2012 haben, können Sie uns gerne eine E-Mail (mit einem Foto vom Typenschild Ihres Gerätes) schreiben oder eine Ersatzteilanfrage stellen.

Folgende Ersatzteile für McCulloch Gartentraktor M125107T Bj. ab Aug 2012 aus der Zeichnung 8 können Sie hier bestellen:
Artikel 1 - 10 von 50