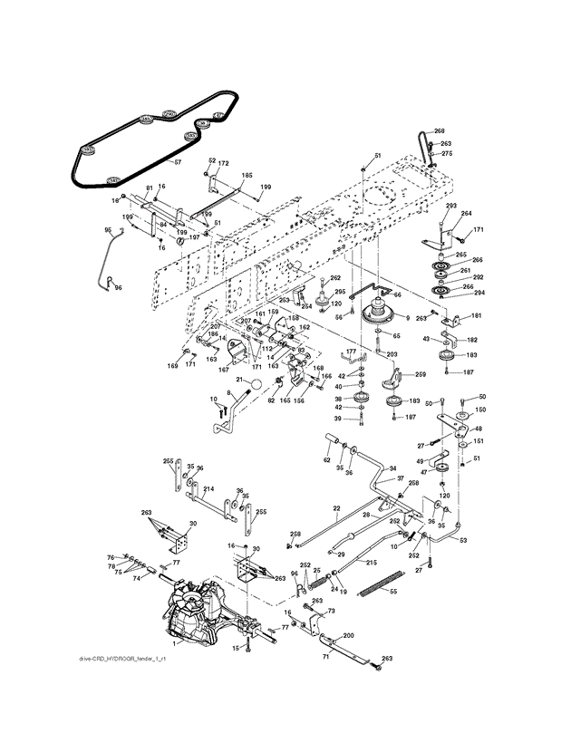
Zeichnung 5

Ersatzteile für McCulloch Gartentraktor M13592HRB Bj. ab Aug 2008 aus der Zeichnung 5
Gültig für Artikelnummer: 96061009903

Zeichnung 5

Sollten Sie Fragen zu einem Ersatzteil von McCulloch Gartentraktor M13592HRB Bj. ab Aug 2008 haben, können Sie uns gerne eine E-Mail (mit einem Foto vom Typenschild Ihres Gerätes) schreiben oder eine Ersatzteilanfrage stellen.

Folgende Ersatzteile für McCulloch Gartentraktor M13592HRB Bj. ab Aug 2008 aus der Zeichnung 5 können Sie hier bestellen:
Artikel 1 - 20 von 83