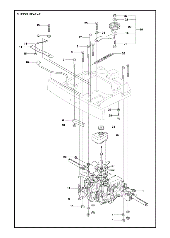
Zeichnung 20

Ersatzteile für McCulloch Gartentraktor M125-94FH Bj. ab Mär 2014 aus der Zeichnung 20
Gültig für Artikelnummer: 967028401

Zeichnung 20

Sollten Sie Fragen zu einem Ersatzteil von McCulloch Gartentraktor M125-94FH Bj. ab Mär 2014 haben, können Sie uns gerne eine E-Mail (mit einem Foto vom Typenschild Ihres Gerätes) schreiben oder eine Ersatzteilanfrage stellen.

Folgende Ersatzteile für McCulloch Gartentraktor M125-94FH Bj. ab Mär 2014 aus der Zeichnung 20 können Sie hier bestellen:
Artikel 1 - 10 von 31