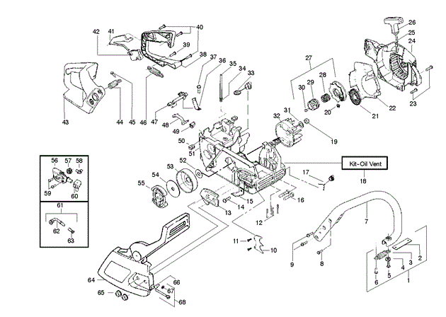
Zeichnung 1

Ersatzteile für McCulloch Motorsäge Mac 20 X Bj. ab Nov 2010 aus der Zeichnung 1
Gültig für Artikelnummer: 966566501, 966566502

Zeichnung 1

Sollten Sie Fragen zu einem Ersatzteil von McCulloch Motorsäge Mac 20 X Bj. ab Nov 2010 haben, können Sie uns gerne eine E-Mail (mit einem Foto vom Typenschild Ihres Gerätes) schreiben oder eine Ersatzteilanfrage stellen.

Folgende Ersatzteile für McCulloch Motorsäge Mac 20 X Bj. ab Nov 2010 aus der Zeichnung 1 können Sie hier bestellen:
Artikel 1 - 40 von 57


Artikel 1 - 40 von 57