Zeichnung 1

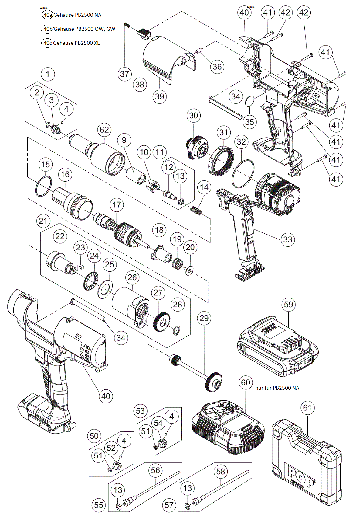
Ersatzteile für Avdel / Masterfix Akkunietpistole PB 2500:

Avdel / Masterfix Akkunietpistole PB 2500

Sollten Sie Fragen zu einem Ersatzteil von Avdel / Masterfix Akkunietpistole PB 2500 haben, können Sie uns gerne eine E-Mail (mit einem Foto vom Typenschild Ihres Gerätes) schreiben oder eine Ersatzteilanfrage stellen.

Folgende Ersatzteile für Avdel / Masterfix Akkunietpistole PB 2500 können Sie hier bestellen:
Artikel 21 - 40 von 47


Artikel 21 - 40 von 47