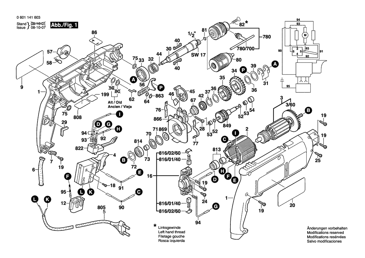
Zeichnung 1

Ersatzteile für Bosch Schlagbohrmaschine GSB 18-2 RE | 230 V | 001 - EU (0 601 141 682)

Zeichnung

Sollten Sie Fragen zu einem Ersatzteil vom Bosch Schlagbohrmaschine GSB 18-2 RE | 230 V | 001 - EU (0 601 141 682) haben, können Sie uns gerne eine E-Mail (mit einem Foto vom Typenschild Ihres Gerätes) schreiben oder eine Ersatzteilanfrage stellen.

Folgende Ersatzteile für Bosch Schlagbohrmaschine GSB 18-2 RE | 230 V | 001 - EU (0 601 141 682) können Sie hier bestellen:
Artikel 1 - 40 von 50


Artikel 1 - 40 von 50