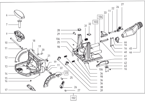
Zeichnung 1

Ersatzteile für Festool DF 500 Q-Set - Dübelfräse 574427

Zeichnung

Sollten Sie Fragen zu einem Ersatzteil vom Festool DF 500 Q-Set - Dübelfräse 574427 haben, können Sie uns gerne eine E-Mail (mit einem Foto vom Typenschild Ihres Gerätes) schreiben oder eine Ersatzteilanfrage stellen.

Folgende Ersatzteile für Festool DF 500 Q-Set - Dübelfräse 574427 können Sie hier bestellen:
Artikel 1 - 10 von 35