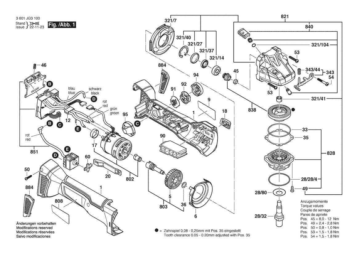
Zeichnung 1

Ersatzteile für Bosch Akku-Winkelschleifer GWS 18V-115 C | 18 V (3 601 JG3 103)

Zeichnung

Sollten Sie Fragen zu einem Ersatzteil vom Bosch Akku-Winkelschleifer GWS 18V-115 C | 18 V (3 601 JG3 103) haben, können Sie uns gerne eine E-Mail (mit einem Foto vom Typenschild Ihres Gerätes) schreiben oder eine Ersatzteilanfrage stellen.

Folgende Ersatzteile für Bosch Akku-Winkelschleifer GWS 18V-115 C | 18 V (3 601 JG3 103) können Sie hier bestellen:
Artikel 1 - 46 von 46


Artikel 1 - 46 von 46