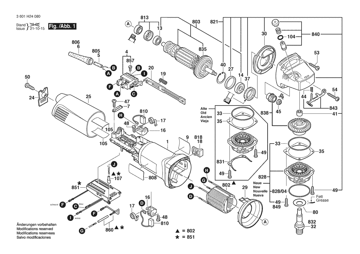
Zeichnung 1

Ersatzteile für Bosch Winkelschleifer GWS 14-150 CI | 230 V | 018 - HK (3 601 H26 0J0)

Zeichnung

Sollten Sie Fragen zu einem Ersatzteil vom Bosch Winkelschleifer GWS 14-150 CI | 230 V | 018 - HK (3 601 H26 0J0) haben, können Sie uns gerne eine E-Mail (mit einem Foto vom Typenschild Ihres Gerätes) schreiben oder eine Ersatzteilanfrage stellen.

Folgende Ersatzteile für Bosch Winkelschleifer GWS 14-150 CI | 230 V | 018 - HK (3 601 H26 0J0) können Sie hier bestellen:
Artikel 1 - 10 von 53