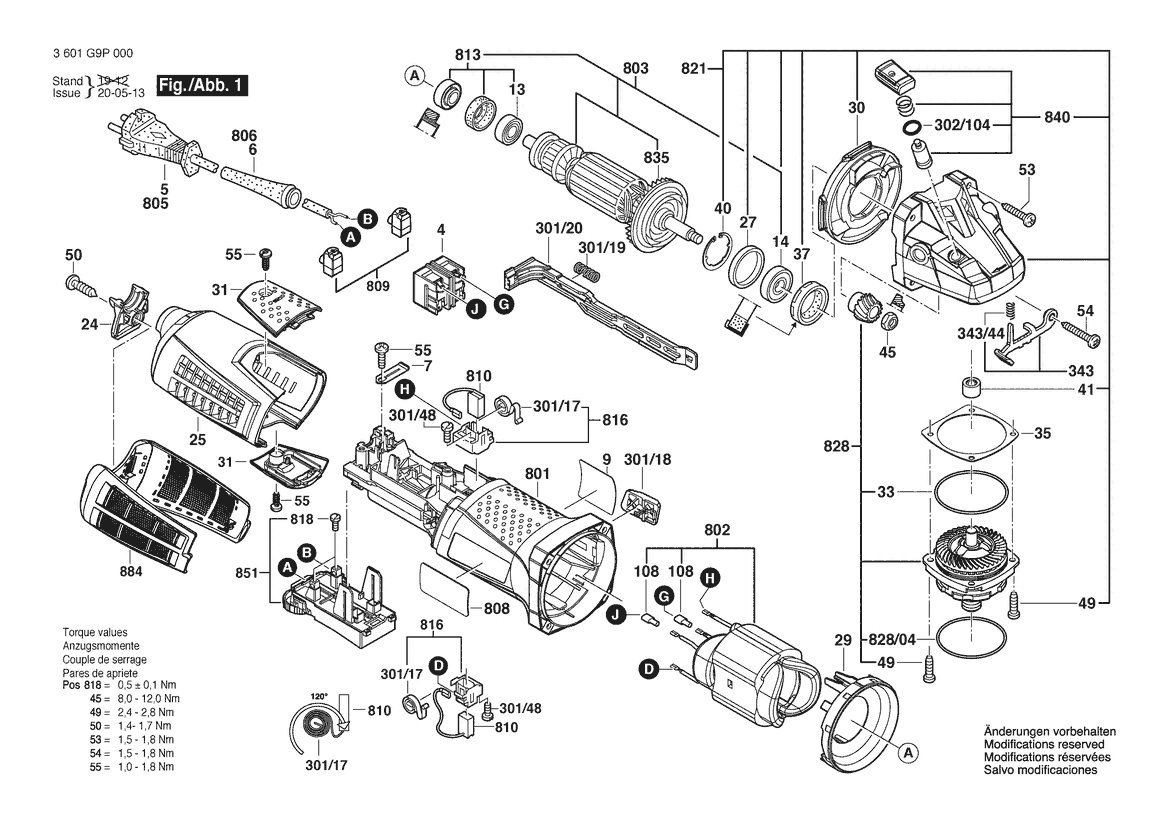
Zeichnung 1

Ersatzteile für Bosch Winkelschleifer GWS 19-125 CIE | 230 V | 001 - EU (3 601 G9P 000)

Zeichnung

Sollten Sie Fragen zu einem Ersatzteil vom Bosch Winkelschleifer GWS 19-125 CIE | 230 V | 001 - EU (3 601 G9P 000) haben, können Sie uns gerne eine E-Mail (mit einem Foto vom Typenschild Ihres Gerätes) schreiben oder eine Ersatzteilanfrage stellen.

Folgende Ersatzteile für Bosch Winkelschleifer GWS 19-125 CIE | 230 V | 001 - EU (3 601 G9P 000) können Sie hier bestellen:
Artikel 1 - 10 von 52