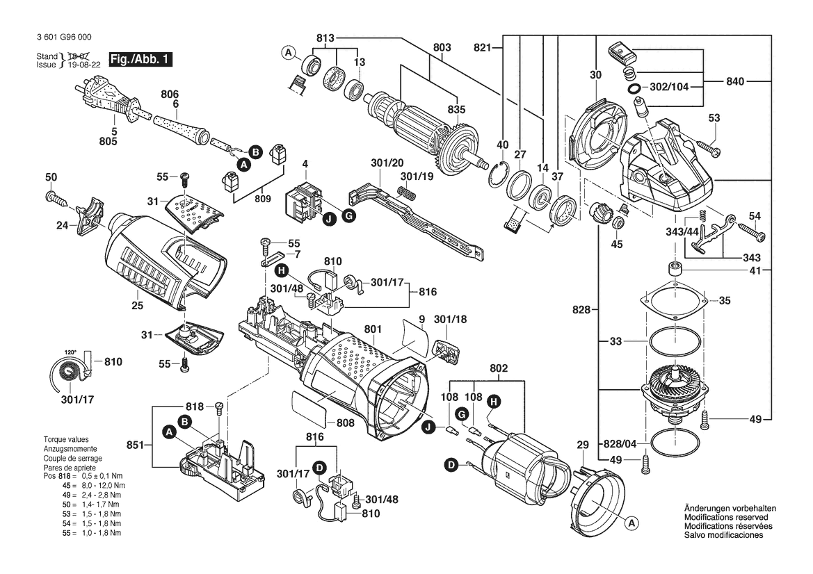
Zeichnung 1

Ersatzteile für Bosch Winkelschleifer GWS 15-125 CIT | 240 V | 027 - AU (3 601 G97 040)

Zeichnung

Sollten Sie Fragen zu einem Ersatzteil vom Bosch Winkelschleifer GWS 15-125 CIT | 240 V | 027 - AU (3 601 G97 040) haben, können Sie uns gerne eine E-Mail (mit einem Foto vom Typenschild Ihres Gerätes) schreiben oder eine Ersatzteilanfrage stellen.

Folgende Ersatzteile für Bosch Winkelschleifer GWS 15-125 CIT | 240 V | 027 - AU (3 601 G97 040) können Sie hier bestellen:
Artikel 1 - 50 von 51


Artikel 1 - 50 von 51