Winkelschleifer ( 0 601 333 933 )

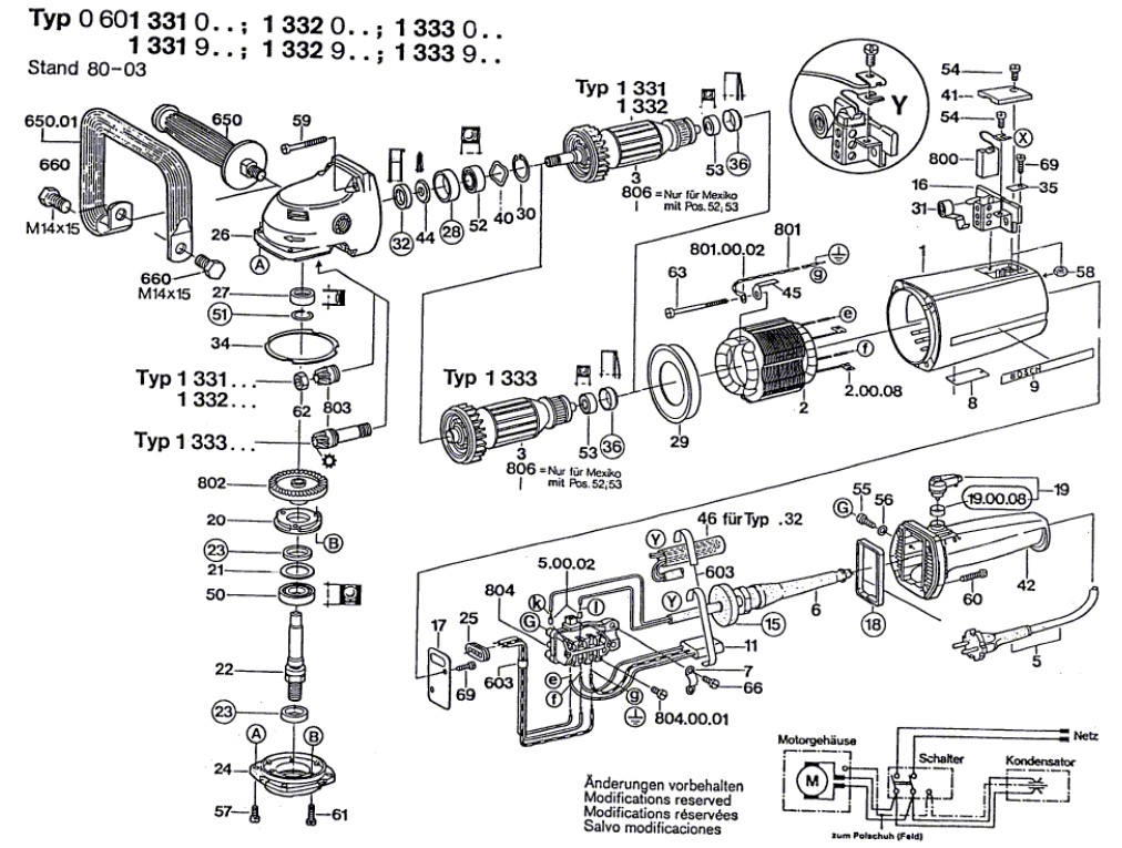
Zeichnung Bosch Winkelschleifer 0 601 333 933:

Zeichnung 1

Sollten Sie Fragen zu einem Ersatzteil haben, können Sie uns gerne eine Ersatzteilanfrage stellen.

Hier finden Sie alle Ersatzteile für Bosch Winkelschleifer 0 601 333 933:
Artikel 1 - 40 von 42

4,52 € *
Lieferzeit: 2 - 10 Werktage
7,56 € *
Lieferzeit: 2 - 10 Werktage
4,52 € *
Lieferzeit: 2 - 10 Werktage
30,77 € *
Lieferzeit: 2 - 10 Werktage
4,52 € *
Lieferzeit: 2 - 10 Werktage
4,52 € *
Lieferzeit: 2 - 10 Werktage
5,28 € *
Lieferzeit: 2 - 10 Werktage
4,86 € *
Lieferzeit: 2 - 10 Werktage
5,78 € *
Lieferzeit: 2 - 10 Werktage
5,78 € *
Lieferzeit: 2 - 10 Werktage
4,52 € *
Lieferzeit: 2 - 10 Werktage
4,86 € *
Lieferzeit: 2 - 10 Werktage
21,97 € *
Lieferzeit: 2 - 10 Werktage

Artikel 1 - 40 von 42