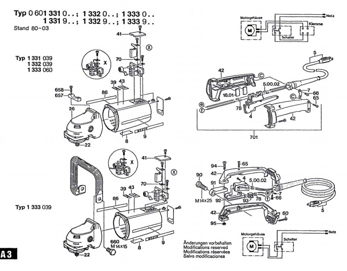
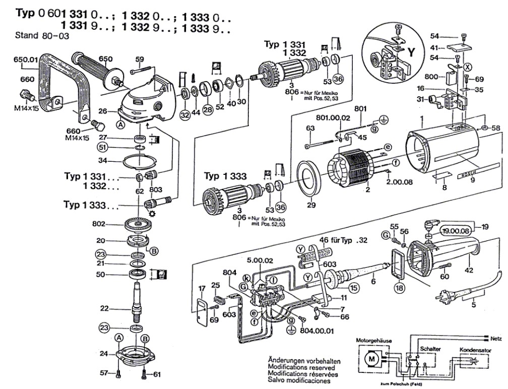
Winkelschleifer ( 0 601 332 036 )

Zeichnung Bosch Winkelschleifer 0 601 332 036:

Zeichnung 1
Zeichnung 2
Zeichnung 3

Sollten Sie Fragen zu einem Ersatzteil haben, können Sie uns gerne eine Ersatzteilanfrage stellen.

Hier finden Sie alle Ersatzteile für Bosch Winkelschleifer 0 601 332 036:
Artikel 1 - 30 von 35

4,52 € *
Lieferzeit: 2 - 10 Werktage
4,52 € *
Lieferzeit: 2 - 10 Werktage
30,77 € *
Lieferzeit: 2 - 10 Werktage
4,52 € *
Lieferzeit: 2 - 10 Werktage
4,52 € *
Lieferzeit: 2 - 10 Werktage
5,28 € *
Lieferzeit: 2 - 10 Werktage
4,86 € *
Lieferzeit: 2 - 10 Werktage
5,78 € *
Lieferzeit: 2 - 10 Werktage
5,78 € *
Lieferzeit: 2 - 10 Werktage
4,52 € *
Lieferzeit: 2 - 10 Werktage
10,94 € *
Lieferzeit: 2 - 10 Werktage

Artikel 1 - 30 von 35