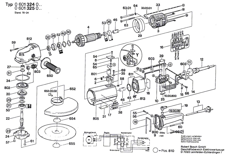
Winkelschleifer ( 0 601 325 003 )

Zeichnung Bosch Winkelschleifer 0 601 325 003:

Zeichnung 1

Sollten Sie Fragen zu einem Ersatzteil haben, können Sie uns gerne eine Ersatzteilanfrage stellen.

Hier finden Sie alle Ersatzteile für Bosch Winkelschleifer 0 601 325 003:
Artikel 1 - 10 von 40