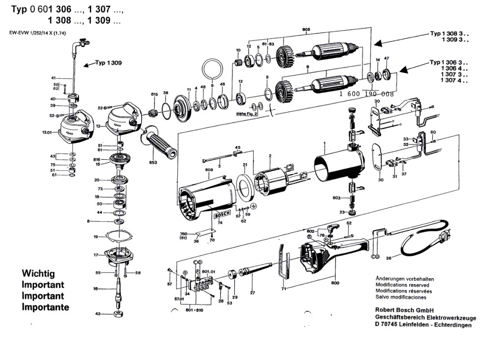
Winkelschleifer ( 0 601 308 302 )

Zeichnung Bosch Winkelschleifer 0 601 308 302:

Zeichnung 1
Zeichnung 2
Zeichnung 3

Sollten Sie Fragen zu einem Ersatzteil haben, können Sie uns gerne eine Ersatzteilanfrage stellen.

Hier finden Sie alle Ersatzteile für Bosch Winkelschleifer 0 601 308 302:
Artikel 1 - 10 von 24


Artikel 1 - 10 von 24