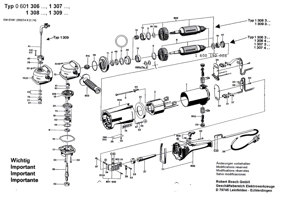
Winkelschleifer ( 0 601 307 333 )

Zeichnung Bosch Winkelschleifer 0 601 307 333:

Zeichnung 1
Zeichnung 2
Zeichnung 3

Sollten Sie Fragen zu einem Ersatzteil haben, können Sie uns gerne eine Ersatzteilanfrage stellen.

Hier finden Sie alle Ersatzteile für Bosch Winkelschleifer 0 601 307 333:
Artikel 1 - 20 von 25

5,78 € *
Lieferzeit: 2 - 10 Werktage
4,52 € *
Lieferzeit: 2 - 10 Werktage

Artikel 1 - 20 von 25