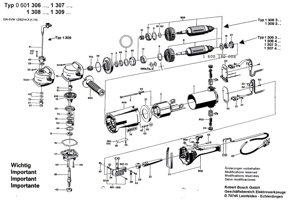
Winkelschleifer ( 0 601 307 302 )

Zeichnung Bosch Winkelschleifer 0 601 307 302:

Zeichnung 1
Zeichnung 2
Zeichnung 3

Sollten Sie Fragen zu einem Ersatzteil haben, können Sie uns gerne eine Ersatzteilanfrage stellen.

Hier finden Sie alle Ersatzteile für Bosch Winkelschleifer 0 601 307 302:
Artikel 1 - 25 von 25

5,78 € *
Lieferzeit: 2 - 10 Werktage
4,52 € *
Lieferzeit: 2 - 10 Werktage
10,94 € *
Lieferzeit: 2 - 10 Werktage
14,72 € *
Lieferzeit: 2 - 10 Werktage
5,28 € *
Lieferzeit: 2 - 10 Werktage
5,28 € *
Lieferzeit: 2 - 10 Werktage

Artikel 1 - 25 von 25