Waschdüse

Ersatzteile für Cub Cadet Rasentraktor XT3 QR106 mit der Gerätenr. 13AFA5TR603 (2024)

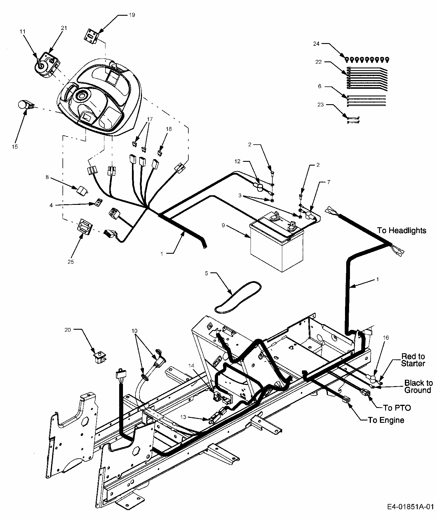
Zeichnung

Sollten Sie Fragen zu einem Ersatzteil vom Cub Cadet Rasentraktor XT3 QR106 haben, können Sie uns gerne eine E-Mail (mit einem Foto vom Typenschild Ihres Gerätes) schreiben oder eine Ersatzteilanfrage stellen.

Folgende Ersatzteile für Cub Cadet Rasentraktor XT3 QR106 für Gerätenr. 13AFA5TR603 (2024) der Zeichnungsgruppe Waschdüse können Sie hier bestellen:
Artikel 1 - 2 von 2

14,76 € *
Lieferzeit: 2 - 10 Werktage

Artikel 1 - 2 von 2