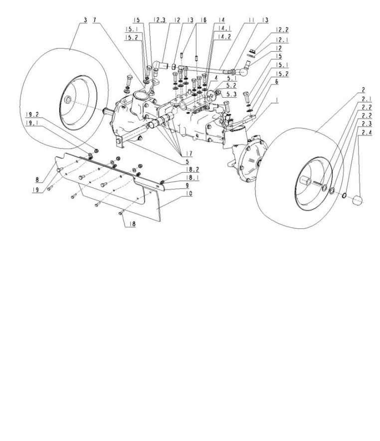
Vorderachse

Zeichnung Oleo-Mac Rasentraktor APACHE 92 4x4 EVO Cat.2012:

Zeichnung 1

Sollten Sie Fragen zu einem Ersatzteil haben, können Sie uns gerne eine Ersatzteilanfrage stellen.

Hier finden Sie alle Ersatzteile für Oleo-Mac Rasentraktor APACHE 92 4x4 EVO Cat.2012 aus der Zeichnung für Vorderachse:
Artikel 1 - 20 von 30

6.896,60 € *
Lieferzeit: 2 - 10 Werktage
129,00 € *
Lieferzeit: 2 - 10 Werktage
31,95 € *
Lieferzeit: 2 - 10 Werktage
27,50 € *
Lieferzeit: 2 - 10 Werktage
29,40 € *
Lieferzeit: 2 - 10 Werktage
137,84 € *
Lieferzeit: 2 - 10 Werktage
3,95 € *
Lieferzeit: 2 - 10 Werktage
13,95 € *
Lieferzeit: 2 - 10 Werktage

Artikel 1 - 20 von 30