Vorderachse

Zeichnung für Cub Cadet Rasentraktor RBH 1200 mit der Geräte-Artikelnr. 13A-120M603 ab Baujahr 2002:

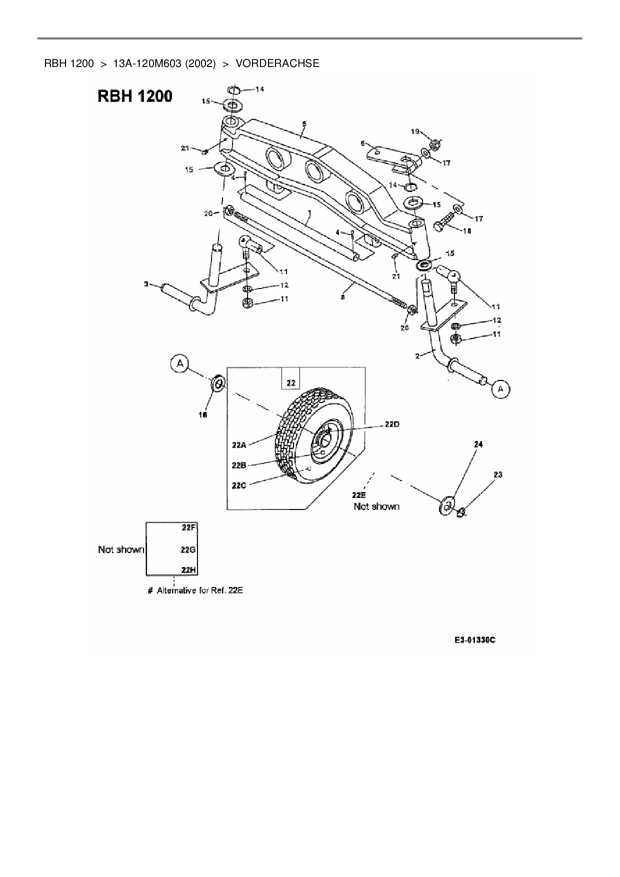
Zeichnung Vorderachse

Die Ersatzteil-Zeichnung für Rasentraktor Cub Cadet RBH 1200 als Download:
Download Ersatzteil-Zeichnung Cub Cadet RBH 1200 Zeichnung Vorderachse (PDF-Format)
Download Ersatzteil-Zeichnung Cub Cadet RBH 1200 Zeichnung Vorderachse (JPG-Format)

Sollten Sie Fragen zu einem Ersatzteil haben, können Sie uns gerne eine E-Mail (mit einem Foto vom Typenschild Ihres Gerätes) schreiben oder eine Ersatzteilanfrage stellen.

Ersatzteile für Rasentraktor Cub Cadet RBH 1200 aus der Zeichnung Vorderachse:
Artikel 1 - 6 von 6

119,02 € *
Lieferzeit: 2 - 10 Werktage
263,40 € *
Lieferzeit: 2 - 10 Werktage
157,70 € *
Lieferzeit: 2 - 10 Werktage
28,36 € *
Lieferzeit: 2 - 10 Werktage
24,60 € *
Lieferzeit: 2 - 10 Werktage
9,34 € *
Lieferzeit: 2 - 10 Werktage

Artikel 1 - 6 von 6