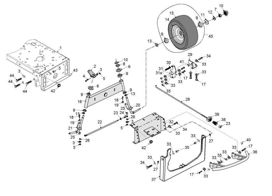
Vorderachse

Zeichnung von ECHO-Motorgeräte Rasentraktoren A-Serie A-216KAWA - E1100001 Vorderachse:

Klicken Sie auf diese Zeichnung

Sollten Sie Fragen zu einem Ersatzteil haben, können Sie uns gerne eine Ersatzteilanfrage stellen.

Hier finden Sie alle Ersatzteile von ECHO-Motorgeräte Rasentraktoren A-Serie A-216KAWA - E1100001:
Artikel 1 - 20 von 37


Artikel 1 - 20 von 37