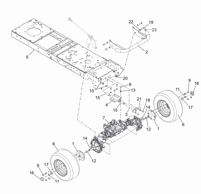
Vorderachse

Zeichnung von Ariens Rasentraktoren A-4XXA-Serie A-418A-4WD - A1100131 Vorderachse:

Klicken Sie auf diese Zeichnung

Sollten Sie Fragen zu einem Ersatzteil haben, können Sie uns gerne eine Ersatzteilanfrage stellen.

Hier finden Sie alle Ersatzteile von Ariens Rasentraktoren A-4XXA-Serie A-418A-4WD - A1100131 aus der Zeichnung Vorderachse:
Artikel 1 - 16 von 16


Artikel 1 - 16 von 16