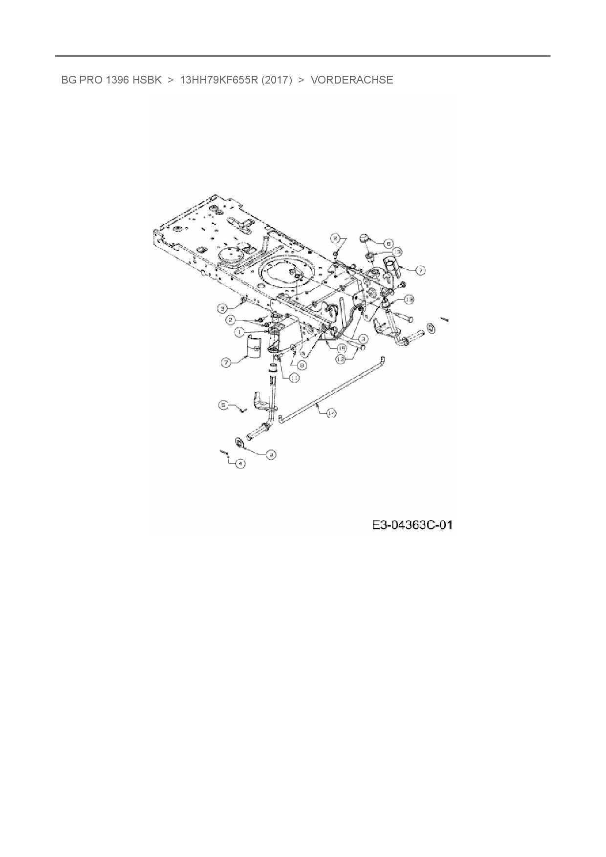
Vorderachse

Zeichnung für Bestgreen Rasentraktor BG Pro 1396 HSBK mit der Geräte-Artikelnr. 13HH79KF655R ab Baujahr 2017:

Zeichnung Vorderachse

Die Ersatzteil-Zeichnung für Rasentraktor Bestgreen BG Pro 1396 HSBK als Download:
Download Ersatzteil-Zeichnung Bestgreen BG Pro 1396 HSBK Zeichnung Vorderachse (PDF-Format)
Download Ersatzteil-Zeichnung Bestgreen BG Pro 1396 HSBK Zeichnung Vorderachse (JPG-Format)

Sollten Sie Fragen zu einem Ersatzteil haben, können Sie uns gerne eine E-Mail (mit einem Foto vom Typenschild Ihres Gerätes) schreiben oder eine Ersatzteilanfrage stellen.

Ersatzteile für Rasentraktor Bestgreen BG Pro 1396 HSBK aus der Zeichnung Vorderachse:
Artikel 1 - 12 von 12

4,88 € *
Lieferzeit: 2 - 10 Werktage
5,88 € *
Lieferzeit: 2 - 10 Werktage
6,88 € *
Lieferzeit: 2 - 10 Werktage
28,45 € *
Lieferzeit: 2 - 10 Werktage

Artikel 1 - 12 von 12