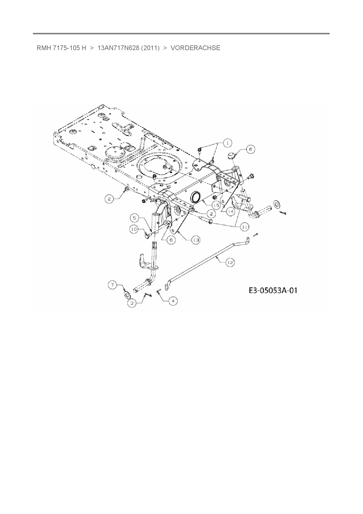
Vorderachse

Zeichnung für Raiffeisen Rasentraktor RMH 7175-105 H mit der Geräte-Artikelnr. 13AN717N628 ab Baujahr 2011:

Zeichnung Vorderachse

Die Ersatzteil-Zeichnung für Rasentraktor Raiffeisen RMH 7175-105 H als Download:
Download Ersatzteil-Zeichnung Raiffeisen RMH 7175-105 H Zeichnung Vorderachse (PDF-Format)
Download Ersatzteil-Zeichnung Raiffeisen RMH 7175-105 H Zeichnung Vorderachse (JPG-Format)

Sollten Sie Fragen zu einem Ersatzteil haben, können Sie uns gerne eine E-Mail (mit einem Foto vom Typenschild Ihres Gerätes) schreiben oder eine Ersatzteilanfrage stellen.

Ersatzteile für Rasentraktor Raiffeisen RMH 7175-105 H aus der Zeichnung Vorderachse:
Artikel 1 - 11 von 11

5,88 € *
Lieferzeit: 2 - 10 Werktage
6,88 € *
Lieferzeit: 2 - 10 Werktage
5,88 € *
Lieferzeit: 2 - 10 Werktage
256,44 € *
Lieferzeit: 2 - 10 Werktage
6,88 € *
Lieferzeit: 2 - 10 Werktage
29,92 € *
Lieferzeit: 2 - 10 Werktage

Artikel 1 - 11 von 11