Vorderachse

Zeichnung für Oleo-Mac Rasentraktor Krosser 92/13 T mit der Geräte-Artikelnr. 13AH77KE636 ab Baujahr 2011:

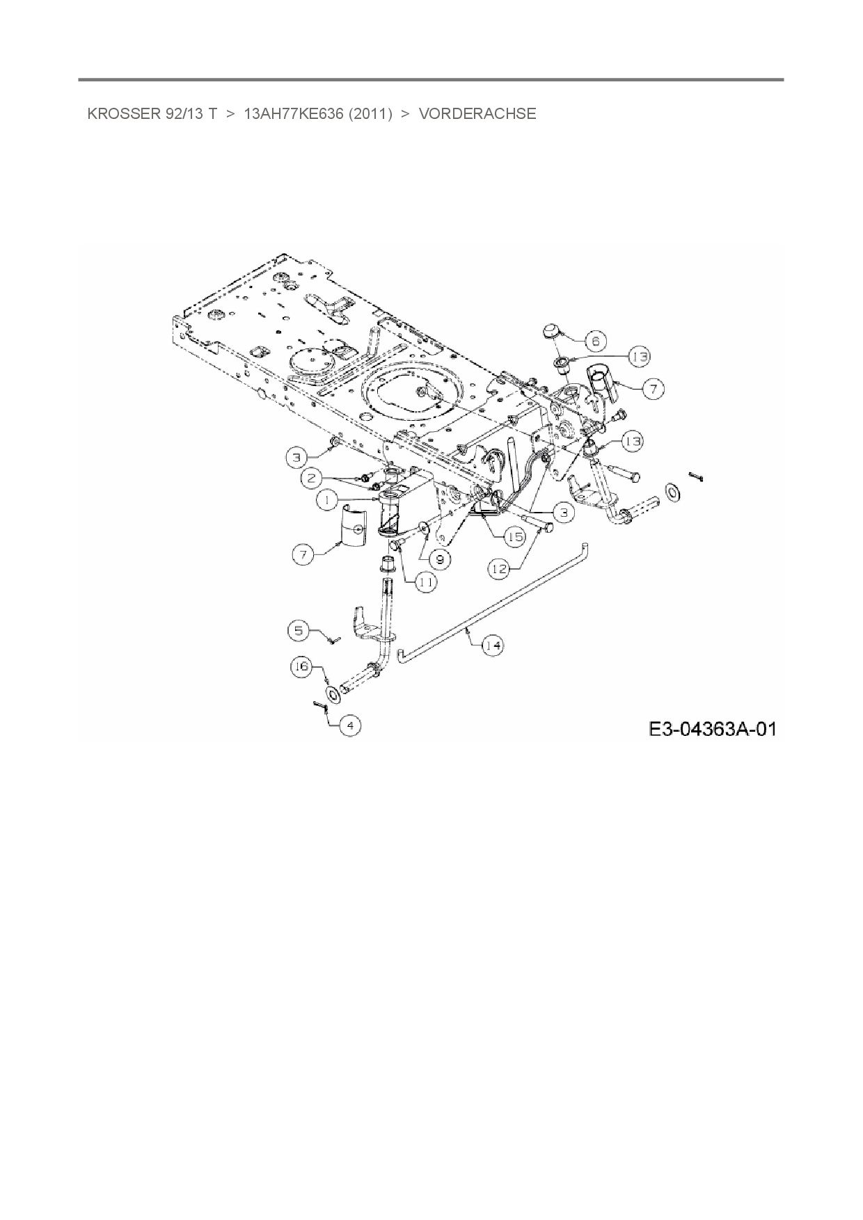
Zeichnung Vorderachse

Die Ersatzteil-Zeichnung für Rasentraktor Oleo-Mac Krosser 92/13 T als Download:
Download Ersatzteil-Zeichnung Oleo-Mac Krosser 92/13 T Zeichnung Vorderachse (PDF-Format)
Download Ersatzteil-Zeichnung Oleo-Mac Krosser 92/13 T Zeichnung Vorderachse (JPG-Format)

Sollten Sie Fragen zu einem Ersatzteil haben, können Sie uns gerne eine E-Mail (mit einem Foto vom Typenschild Ihres Gerätes) schreiben oder eine Ersatzteilanfrage stellen.

Ersatzteile für Rasentraktor Oleo-Mac Krosser 92/13 T aus der Zeichnung Vorderachse:
Artikel 1 - 10 von 13

5,88 € *
Lieferzeit: 2 - 10 Werktage
6,88 € *
Lieferzeit: 2 - 10 Werktage
5,88 € *
Lieferzeit: 2 - 10 Werktage
6,88 € *
Lieferzeit: 2 - 10 Werktage
11,88 € *
Lieferzeit: 2 - 10 Werktage

Artikel 1 - 10 von 13