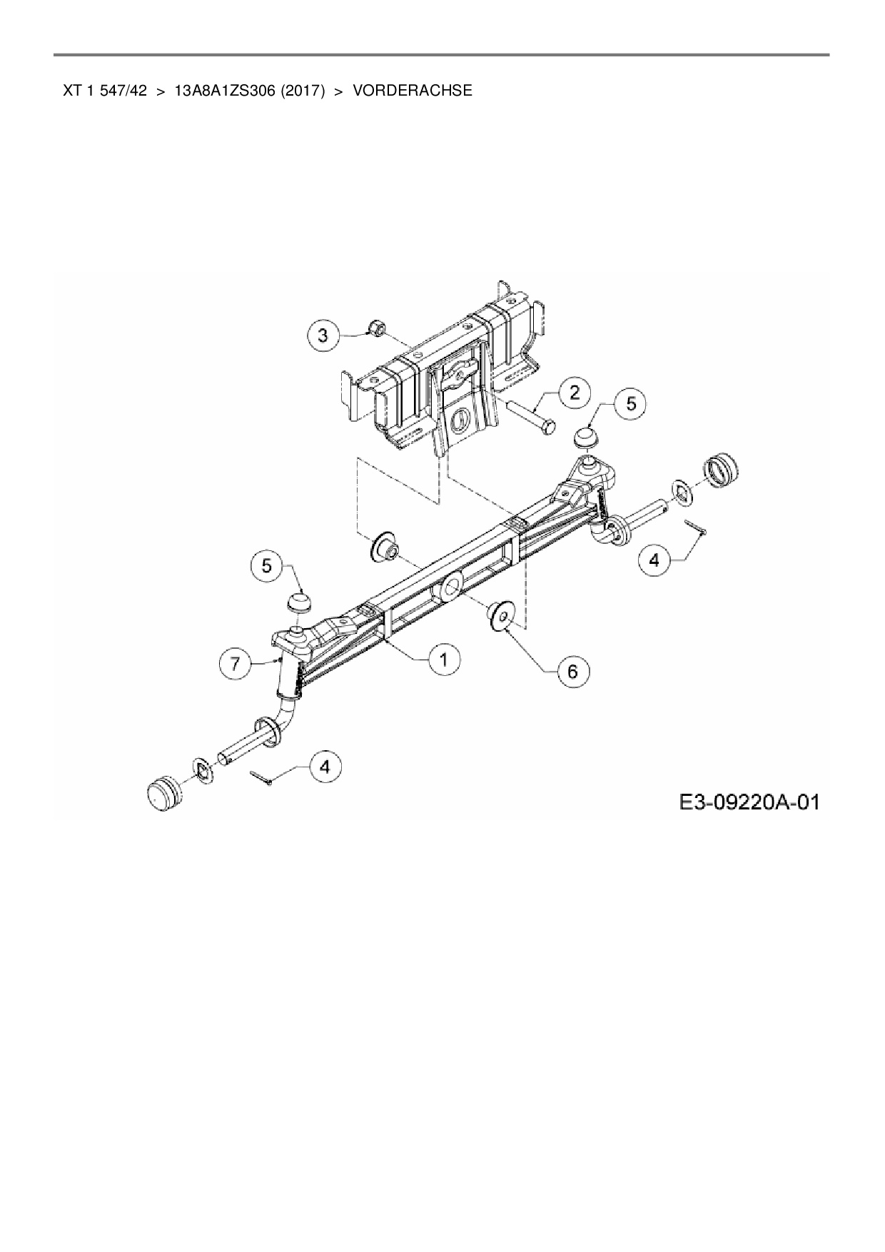
Vorderachse

Zeichnung für MTD Rasentraktor XT 1 547/42 mit der Geräte-Artikelnr. 13A8A1ZS306 ab Baujahr 2017:

Zeichnung Vorderachse

Die Ersatzteil-Zeichnung für Rasentraktor MTD XT 1 547/42 als Download:
Download Ersatzteil-Zeichnung MTD XT 1 547/42 Zeichnung Vorderachse (PDF-Format)
Download Ersatzteil-Zeichnung MTD XT 1 547/42 Zeichnung Vorderachse (JPG-Format)

Sollten Sie Fragen zu einem Ersatzteil haben, können Sie uns gerne eine E-Mail (mit einem Foto vom Typenschild Ihres Gerätes) schreiben oder eine Ersatzteilanfrage stellen.

Ersatzteile für Rasentraktor MTD XT 1 547/42 aus der Zeichnung Vorderachse:
Artikel 1 - 5 von 5

309,56 € *
Lieferzeit: 2 - 10 Werktage
4,88 € *
Lieferzeit: 2 - 10 Werktage
4,88 € *
Lieferzeit: 2 - 10 Werktage
6,88 € *
Lieferzeit: 2 - 10 Werktage
13,88 € *
Lieferzeit: 2 - 10 Werktage

Artikel 1 - 5 von 5