Vorderachse

Zeichnung für Massey Ferguson Rasentraktor MF 50-24 SH mit der Geräte-Artikelnr. 13HQ93GP695 ab Baujahr 2016:

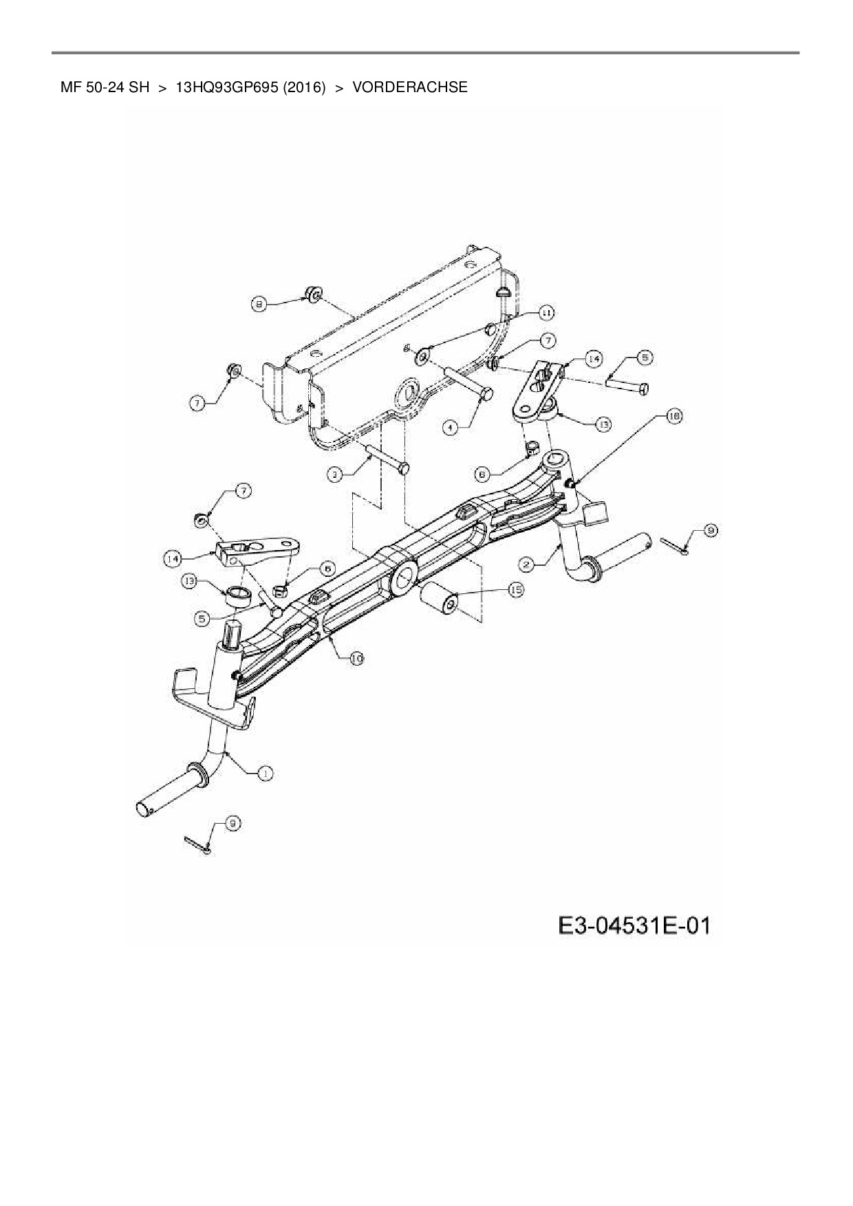
Zeichnung Vorderachse

Die Ersatzteil-Zeichnung für Rasentraktor Massey Ferguson MF 50-24 SH als Download:
Download Ersatzteil-Zeichnung Massey Ferguson MF 50-24 SH Zeichnung Vorderachse (PDF-Format)
Download Ersatzteil-Zeichnung Massey Ferguson MF 50-24 SH Zeichnung Vorderachse (JPG-Format)

Sollten Sie Fragen zu einem Ersatzteil haben, können Sie uns gerne eine E-Mail (mit einem Foto vom Typenschild Ihres Gerätes) schreiben oder eine Ersatzteilanfrage stellen.

Ersatzteile für Rasentraktor Massey Ferguson MF 50-24 SH aus der Zeichnung Vorderachse:
Artikel 1 - 14 von 14

66,88 € *
Lieferzeit: 2 - 10 Werktage
72,28 € *
Lieferzeit: 2 - 10 Werktage
4,88 € *
Lieferzeit: 2 - 10 Werktage
273,66 € *
Lieferzeit: 2 - 10 Werktage

Artikel 1 - 14 von 14